

購買SKF 22272CA/W33軸承,及22272CA/W33軸承同系列產品,或者SKF公司其他產品,請聯(lián)系SKF進口軸承經銷 -磐固晟,我們提供準時高效的服務。
型號:22272CA/W33
品牌:SKF
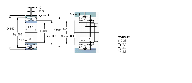
內徑:360
外徑:650
厚度:170
系列:球面滾子軸承, 圓柱和圓錐孔, 圓柱型內孔, 無密封件
【更新日期:2016/8/3 電腦版 22272CA/W33軸承】
| 球面滾子軸承, 圓柱和圓錐孔, 圓柱型內孔, 無密封件 | ||||||||||
| 公差 , 參見文字 | ||||||||||
| 徑向內部間隙, 圓柱型內孔 , 圓錐型內孔, 無密封件 , 參見文字 | ||||||||||
| 推薦配合 | ||||||||||
| 軸和軸承座公差 | ||||||||||
|
|
||||||||||
| 主要數據尺寸 | 基本負荷額定值 | 疲勞負荷限值 | 額定速度 | 體積 | 型號 | |||||
| 動態(tài) | 靜態(tài) | 參照速度 | 限制速度 | |||||||
| d | D | B | C | C0 | Pu | * - SKF Explorer 軸承 | ||||
|
|
||||||||||
| mm | kN | kN | r/min | kg | - | |||||
|
|
||||||||||
| 360 | 650 | 170 | 4300 | 6200 | 440 | 630 | 850 | 255 | 22272 CA/W33 * | |