

我們不僅提供SKF 231/530CAK/W33+OH31/530H軸承,還提供SKF品牌的其他品牌產品,以及SKF 231/530CAK/W33+OH31/530H軸承的替換型號,萬千種型號,任您選擇。
型號:231/530CAK/W33+OH31/530H
品牌:SKF
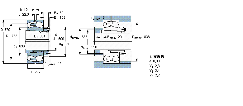
內徑:500
外徑:870
厚度:272
系列:球面滾子軸承, 帶緊定套的
【更新日期:2016/8/3 電腦版 231/530CAK/W33+OH31/530H軸承】
| 球面滾子軸承, 帶緊定套的 | ||||||||||
| 公差 , 參見文字 | ||||||||||
| 徑向內部游隙 , 參見文字 | ||||||||||
| 推薦配合 | ||||||||||
| 軸和軸承座公差 | ||||||||||
|
|
||||||||||
| 主要數據尺寸 | 基本負荷額定值 | 疲勞負荷限值 | 額定速度 | 體積 | 型號 | |||||
| 動態(tài) | 靜態(tài) | 參照速度 | 限制速度 | 軸承 + 緊定套 | ||||||
| d1 | D | B | C | C0 | Pu | |||||
| * - SKF Explorer 軸承 | ||||||||||
|
|
||||||||||
| mm | kN | kN | r/min | kg | - | |||||
|
|
||||||||||
| 500 | 870 | 272 | 8150 | 14000 | 915 | 360 | 670 | 785 | 231/530 CAK/W33 + OH 31/530 H * | |