

231/710CAK/W33+OH31/710H軸承是SKF公司同時面向工業(yè)配套和維修市場的產品,磐固晟同時經銷 此兩項業(yè)務,不僅為批量采購的用戶提供優(yōu)惠的SKF 231/710CAK/W33+OH31/710H軸承,同時也為零散采購用戶提供價格優(yōu)惠的及時供貨服務。
型號:231/710CAK/W33+OH31/710H
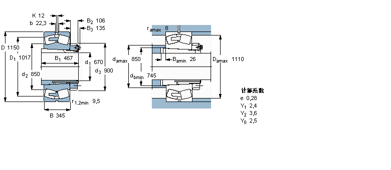
品牌:SKF
內徑:670
外徑:1150
厚度:345
系列:球面滾子軸承, 帶緊定套的
【更新日期:2016/8/3 電腦版 231/710CAK/W33+OH31/710H軸承】
| 球面滾子軸承, 帶緊定套的 | ||||||||||
| 公差 , 參見文字 | ||||||||||
| 徑向內部游隙 , 參見文字 | ||||||||||
| 推薦配合 | ||||||||||
| 軸和軸承座公差 | ||||||||||
|
|
||||||||||
| 主要數據尺寸 | 基本負荷額定值 | 疲勞負荷限值 | 額定速度 | 體積 | 型號 | |||||
| 動態(tài) | 靜態(tài) | 參照速度 | 限制速度 | 軸承 + 緊定套 | ||||||
| d1 | D | B | C | C0 | Pu | |||||
|
|
||||||||||
| mm | kN | kN | r/min | kg | - | |||||
|
|
||||||||||
| 670 | 1150 | 345 | 12200 | 26000 | 1530 | 240 | 450 | 1750 | 231/710 CAK/W33 + OH 31/710 H | |