

訂購SKF 4216ATN9軸承,請隨時與我們聯系,我們將根據匯率的波動為您提供實時準確的價格,確保以最優(yōu)惠的價格為您提供優(yōu)質的SKF 4216ATN9軸承。
型號:4216ATN9
品牌:SKF
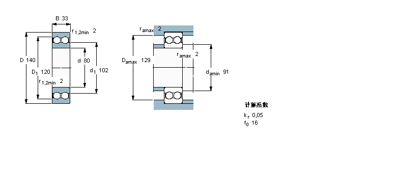
內徑:80
外徑:140
厚度:33
系列:深溝球軸承, 雙列
【更新日期:2016/8/3 電腦版 4216ATN9軸承】
| 深溝球軸承, 雙列 | ||||||||||
| 公差 , 參見文字 | ||||||||||
| 徑向內部游隙 , 參見文字 | ||||||||||
| 推薦配合 | ||||||||||
| 軸和軸承座公差 | ||||||||||
|
|
||||||||||
| 主要數據尺寸 | 尺寸 [英寸] | 疲勞負荷限值 | 額定速度 | 體積 | 型號 | |||||
| 動態(tài) | 靜態(tài) | 參照速度 | 限制速度 | |||||||
| d | D | B | C | C0 | Pu | |||||
|
|
||||||||||
| mm | kN | kN | r/min | kg | - | |||||
|
|
||||||||||
| 80 | 140 | 33 | 80,6 | 90 | 3,6 | 7000 | 3800 | 2,00 | 4216 ATN9 | |