

SKF進口軸承經銷 磐固晟為用戶提供高品質的NJ2310ECP軸承,無論是工業(yè)配套還是維修市場,用戶都可以在這里找到貨期最短的SKF NJ2310ECP軸承,確保您的不間斷生產。
型號:NJ2310ECP
品牌:SKF
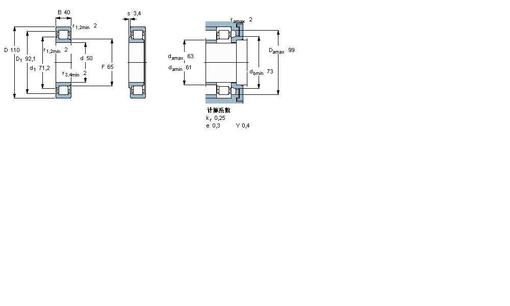
內徑:50
外徑:110
厚度:40
系列:圓柱滾子軸承, 單列, NJ 設計
【更新日期:2016/8/3 電腦版 NJ2310ECP軸承】
| 圓柱滾子軸承, 單列, NJ 設計 | ||||||||||||
| 公差 , 參見文字 | ||||||||||||
| 徑向內部間隙, 圓柱型內孔 , 圓錐型內孔, 無密封件 , 參見文字 | ||||||||||||
| 推薦配合 | ||||||||||||
| 軸和軸承座公差 | ||||||||||||
|
|
||||||||||||
| 主要數據尺寸 | 基本負荷額定值 | 疲勞負荷限值 | 額定速度 | 體積 | 型號 | 適宜的斜擋圈 | ||||||
| 動態(tài) | 靜態(tài) | 參照速度 | 限制速度 | 型號 | ||||||||
| d | D | B | C | C0 | Pu | * - SKF Explorer 軸承 | ||||||
|
|
||||||||||||
| mm | kN | kN | r/min | kg | - | - | ||||||
|
|
||||||||||||
| 50 | 110 | 40 | 186 | 186 | 24,5 | 6700 | 8000 | 1,75 | NJ 2310 ECP * | - | ||