

磐固晟是SKF進口軸承經銷 ,銷售SKF NUP19/600ECMA/HA1軸承,不僅具備價格優(yōu)勢,而且在供貨及時性、供貨能力方面具有比較優(yōu)勢,能在最短的時間內為用戶提供原裝進口的SKF NUP19/600ECMA/HA1軸承。
型號:NUP19/600ECMA/HA1
品牌:SKF
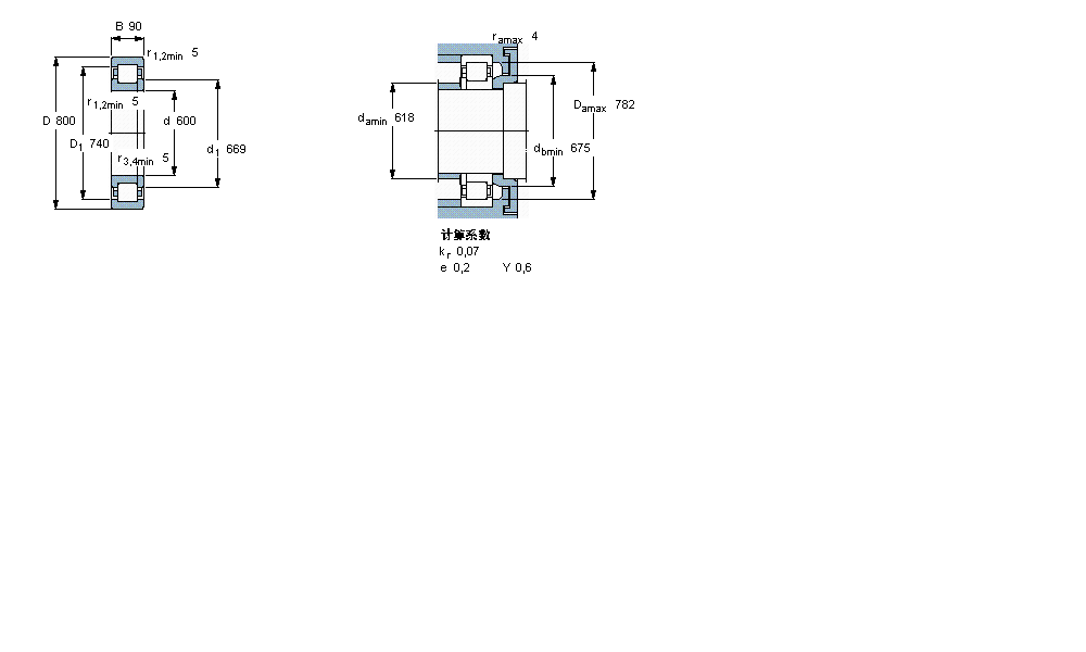
內徑:600
外徑:800
厚度:90
系列:圓柱滾子軸承, 單列, NUP 設計
【更新日期:2016/8/3 電腦版 NUP19/600ECMA/HA1軸承】
| 圓柱滾子軸承, 單列, NUP 設計 | ||||||||||||
| 公差 , 參見文字 | ||||||||||||
| 徑向內部間隙, 圓柱型內孔 , 圓錐型內孔, 無密封件 , 參見文字 | ||||||||||||
| 推薦配合 | ||||||||||||
| 軸和軸承座公差 | ||||||||||||
|
|
||||||||||||
| 主要數據尺寸 | 基本負荷額定值 | 疲勞負荷限值 | 額定速度 | 體積 | 型號 | 適宜的斜擋圈 | ||||||
| 動態(tài) | 靜態(tài) | 參照速度 | 限制速度 | 型號 | ||||||||
| d | D | B | C | C0 | Pu | |||||||
|
|
||||||||||||
| mm | kN | kN | r/min | kg | - | - | ||||||
|
|
||||||||||||
| 600 | 800 | 90 | 1900 | 3800 | 275 | 750 | 950 | 140 | NUP 19/600 ECMA/HA1 | - | ||