

作為傳統的進口軸承經銷 商,磐固晟以廣州為基地,全方位展開與SKF公司的合作,為本地SKF NUP2214ECNM軸承提供強大的貨源支持,并迅速推廣到全國各地,經過多年的努力,NUP2214ECNM軸承已成為我們的主導產品之一。
型號:NUP2214ECNM
品牌:SKF
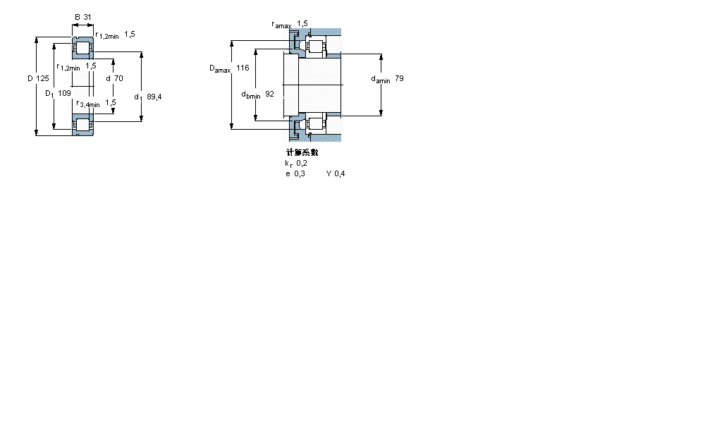
內徑:70
外徑:125
厚度:31
系列:圓柱滾子軸承, 單列, NUP 設計, 于外圈的帶止動槽
【更新日期:2016/8/3 電腦版 NUP2214ECNM軸承】
| 圓柱滾子軸承, 單列, NUP 設計, 于外圈的帶止動槽 | ||||||||||||
| 公差 , 參見文字 | ||||||||||||
| 徑向內部間隙, 圓柱型內孔 , 圓錐型內孔, 無密封件 , 參見文字 | ||||||||||||
| 推薦配合 | ||||||||||||
| 軸和軸承座公差 | ||||||||||||
|
|
||||||||||||
| 主要數據尺寸 | 基本負荷額定值 | 疲勞負荷限值 | 額定速度 | 體積 | 型號 | 適宜的斜擋圈 | ||||||
| 動態(tài) | 靜態(tài) | 參照速度 | 限制速度 | 型號 | ||||||||
| d | D | B | C | C0 | Pu | * - SKF Explorer 軸承 | ||||||
|
|
||||||||||||
| mm | kN | kN | r/min | kg | - | - | ||||||
|
|
||||||||||||
| 70 | 125 | 31 | 180 | 193 | 25,5 | 6000 | 6300 | 1,75 | NUP 2214 ECNM * | - | ||