

SKF OH30/950H軸承是磐固晟長期經銷 的產品,磐固晟與SKF公司具有長期的OH30/950H軸承采購計劃,可以為國內用戶提供足夠數量的SKF OH30/950H軸承,讓您的工廠無憂運轉。
型號:OH30/950H
品牌:SKF
系列:緊定套
【更新日期:2016/8/3 電腦版 OH30/950H軸承】
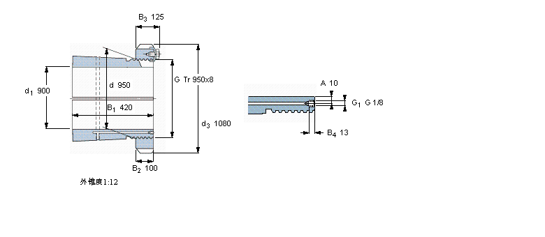
| 緊定套 | ||||||||||
|
|
||||||||||
| 尺寸 | 體積 | 型號 | ||||||||
| 緊定軸套帶螺母 | 鎖定螺母 | 鎖定裝置 | 適宜的液壓 | |||||||
| d1 | d | d3 | B1 | G | 和鎖緊裝置 | 螺母 | ||||
|
|
||||||||||
| mm | kg | - | ||||||||
|
|
||||||||||
| 900 | 950 | 1080 | 420 | Tr 950x8 | 424 | OH 30/950 H | HM 30/950 | MS 30/950 | HMV 190 E | |