

作為傳統(tǒng)的進口軸承經(jīng)銷 商,磐固晟以廣州為基地,全方位展開與SKF公司的合作,為本地SKF VJ-PDNB324軸承提供強大的貨源支持,并迅速推廣到全國各地,經(jīng)過多年的努力,VJ-PDNB324軸承已成為我們的主導產品之一。
型號:VJ-PDNB324
品牌:SKF
內徑:110
外徑:120
厚度:314
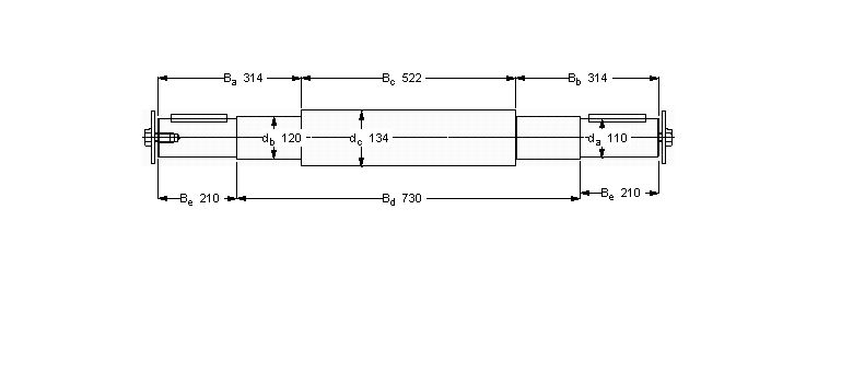
系列:雙軸承單元, 用PDNB單元的軸
【更新日期:2016/8/3 電腦版 VJ-PDNB324軸承】
| 雙軸承單元, 用PDNB單元的軸 | ||||||||||
|
|
||||||||||
| 尺寸 | 鍵 | 質量 | 型號 | |||||||
| da | db | Ba | Bb | Bc | Bd | Be | ||||
|
|
||||||||||
| mm | - | kg | - | |||||||
|
|
||||||||||
| 110 | 120 | 314 | 314 | 522 | 730 | 210 | 28x16x180 | 105 | VJ-PDNB 324 | |