

W03軸承是SKF公司同時面向工業(yè)配套和維修市場的產品,磐固晟同時經銷 此兩項業(yè)務,不僅為批量采購的用戶提供優(yōu)惠的SKF W03軸承,同時也為零散采購用戶提供價格優(yōu)惠的及時供貨服務。
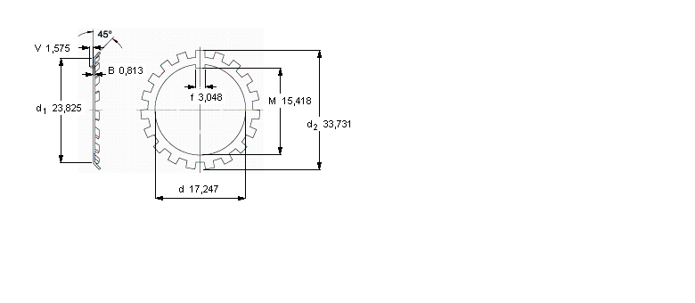
型號:W03
品牌:SKF
內徑:17.247
外徑:33.731
厚度:0.813
系列:W鎖緊墊圈, 英制尺寸
【更新日期:2016/8/3 電腦版 W03軸承】
| W鎖緊墊圈, 英制尺寸 | ||||||
|
|
||||||
| 尺寸 | 體積 | 型號 | ||||
| 鎖緊墊圈 | 適宜的鎖定螺母 | |||||
| d | d2 | B | ||||
|
|
||||||
| mm | kg | - | ||||
|
|
||||||
| 17,247 | 33,731 | 0,813 | 0,005 | W 03 | N 03 | |