

購買SKF WEEY004-2Z軸承,及WEEY004-2Z軸承同系列產品,或者SKF公司其他產品,請聯系SKF進口軸承經銷 -磐固晟,我們提供準時高效的服務。
型號:WEEY004-2Z
品牌:SKF
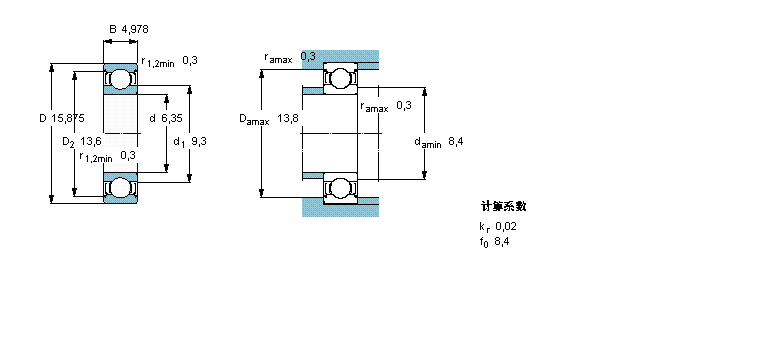
內徑:6.35
外徑:15.875
厚度:4.978
系列:深溝球軸承, 單列,不銹鋼, 兩面防塵罩
【更新日期:2016/8/3 電腦版 WEEY004-2Z軸承】
| 深溝球軸承, 單列,不銹鋼, 兩面防塵罩 | ||||||||||
| 公差 , 參見文字 | ||||||||||
| 徑向內部游隙 , 參見文字 | ||||||||||
| 推薦配合 | ||||||||||
| 軸和軸承座公差 | ||||||||||
|
|
||||||||||
| 主要數據尺寸 | 基本負荷額定值 | 疲勞負荷限值 | 額定速度 | 體積 | 型號 | |||||
| 動態(tài) | 靜態(tài) | 參照速度 | 限制速度 | |||||||
| d | D | B | C | C0 | Pu | |||||
|
|
||||||||||
| mm | kN | kN | r/min | kg | - | |||||
|
|
||||||||||
| 6,35 | 15,875 | 4,978 | 1,04 | 0,455 | 0,02 | 100000 | 50000 | 0,0043 | WEEY 004-2Z | |