
訂購SKF 1213ETN9軸承,請隨時與我們聯(lián)系,我們將根據匯率的波動為您提供實時準確的價格,確保以最優(yōu)惠的價格為您提供優(yōu)質的SKF 1213ETN9軸承。
型號:1213ETN9
品牌:SKF
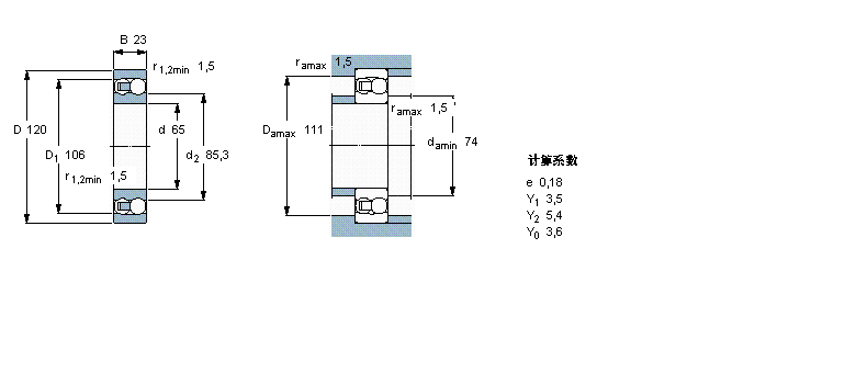
內徑:65
外徑:120
厚度:23
系列:自調心球軸承, 圓柱孔和圓錐孔, 圓柱型內孔, 無密封件
【
手機版 1213ETN9軸承
點擊量
更新日期:2021/12/28
】
電話:020-36026999 傳真:020-36705678 服務熱線:18922176822 郵箱:sales@gzbearing.cn
| 自調心球軸承, 圓柱孔和圓錐孔, 圓柱型內孔, 無密封件 | ||||||||||
| 公差 , 參見文字 | ||||||||||
| 徑向內部游隙 , 參見文字 | ||||||||||
| 推薦配合 | ||||||||||
| 軸和軸承座公差 | ||||||||||
|
|
||||||||||
| 主要數據尺寸 | 基本負荷額定值 | 疲勞負荷限值 | 額定速度 | 體積 | 型號 | |||||
| 動態(tài) | 靜態(tài) | 參照速度 | 限制速度 | |||||||
| d | D | B | C | C0 | Pu | |||||
|
|
||||||||||
| mm | kN | kN | r/min | kg | - | |||||
|
|
||||||||||
| 65 | 120 | 23 | 35,1 | 14 | 0,72 | 11000 | 7000 | 1,15 | 1213 ETN9 | |