
SKF 22332CCK/W33軸承是鼎力晟業(yè)長期代理的產品,鼎力晟業(yè)與SKF公司具有長期的22332CCK/W33軸承采購計劃,可以為國內用戶提供足夠數量的SKF 22332CCK/W33軸承,讓您的工廠無憂運轉。
型號:22332CCK/W33
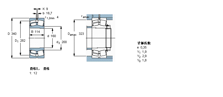
品牌:SKF
內徑:160
外徑:340
厚度:114
系列:球面滾子軸承, 圓柱和圓錐孔, 圓錐型內孔, 無密封件
【
手機版 22332CCK/W33軸承
點擊量
更新日期:2021/12/28
】
電話:020-36026999 傳真:020-36705678 服務熱線:18922176822 郵箱:sales@gzbearing.cn
| 球面滾子軸承, 圓柱和圓錐孔, 圓錐型內孔, 無密封件 | ||||||||||
| 公差 , 參見文字 | ||||||||||
| 徑向內部間隙, 圓柱型內孔 , 圓錐型內孔, 無密封件 , 參見文字 | ||||||||||
| 推薦配合 | ||||||||||
| 軸和軸承座公差 | ||||||||||
|
|
||||||||||
| 主要數據尺寸 | 基本負荷額定值 | 疲勞負荷限值 | 額定速度 | 體積 | 型號 | |||||
| 動態(tài) | 靜態(tài) | 參照速度 | 限制速度 | |||||||
| d | D | B | C | C0 | Pu | * - SKF Explorer 軸承 | ||||
|
|
||||||||||
| mm | kN | kN | r/min | kg | - | |||||
|
|
||||||||||
| 160 | 340 | 114 | 1600 | 1960 | 160 | 1500 | 1900 | 51,0 | 22332 CCK/W33 * | |
SY1.3/8TF軸承 F605Z軸承 LR25x30x38.5軸承 HC71912-E-T-P4S軸承 JM734410軸承 HJ415軸承 7319BDB軸承 EGB3030-E40-B軸承 3777/3720軸承 NJ256軸承 NNU4980軸承 SYF45FM軸承 BT2B328466/HA1軸承 23220BKD1+H2320X軸承 22234BKD1+H3134軸承 22228EASK.MH3128軸承 K36990-36920軸承 GEH90ES-2RS軸承 FWF-455325軸承 7006AC/DB軸承