
23038CC/W33軸承是SKF公司同時面向工業(yè)配套和維修市場的產品,鼎力晟業(yè)同時代理此兩項業(yè)務,不僅為批量采購的用戶提供優(yōu)惠的SKF 23038CC/W33軸承,同時也為零散采購用戶提供價格優(yōu)惠的及時供貨服務。
型號:23038CC/W33
品牌:SKF
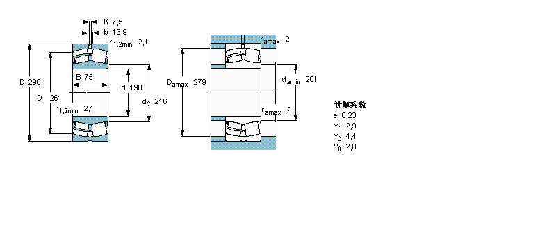
內徑:190
外徑:290
厚度:75
系列:球面滾子軸承, 圓柱和圓錐孔, 圓柱型內孔, 無密封件
【
手機版 23038CC/W33軸承
點擊量
更新日期:2021/12/28
】
電話:020-36026999 傳真:020-36705678 服務熱線:18922176822 郵箱:sales@gzbearing.cn
| 球面滾子軸承, 圓柱和圓錐孔, 圓柱型內孔, 無密封件 | ||||||||||
| 公差 , 參見文字 | ||||||||||
| 徑向內部間隙, 圓柱型內孔 , 圓錐型內孔, 無密封件 , 參見文字 | ||||||||||
| 推薦配合 | ||||||||||
| 軸和軸承座公差 | ||||||||||
|
|
||||||||||
| 主要數據尺寸 | 基本負荷額定值 | 疲勞負荷限值 | 額定速度 | 體積 | 型號 | |||||
| 動態(tài) | 靜態(tài) | 參照速度 | 限制速度 | |||||||
| d | D | B | C | C0 | Pu | * - SKF Explorer 軸承 | ||||
|
|
||||||||||
| mm | kN | kN | r/min | kg | - | |||||
|
|
||||||||||
| 190 | 290 | 75 | 865 | 1340 | 122 | 1900 | 2400 | 18,0 | 23038 CC/W33 * | |
22320CC/W33軸承 JP14049/JP14010軸承 NF216M軸承 6003軸承 6300NR軸承 NJ2208軸承 B7019C軸承 7207BDB軸承 7211CDT軸承 51144X軸承 22211B軸承 AHX3220軸承 KT172117軸承 46T32226JR/117.5軸承 627-2RS軸承 495AA/493軸承 H414235/H414210軸承 SYNT80FTF軸承 626軸承 7317-B-JP軸承