
SKF 2315軸承是鼎力晟業(yè)長期代理的產品,鼎力晟業(yè)與SKF公司具有長期的2315軸承采購計劃,可以為國內用戶提供足夠數量的SKF 2315軸承,讓您的工廠無憂運轉。
型號:2315
品牌:SKF
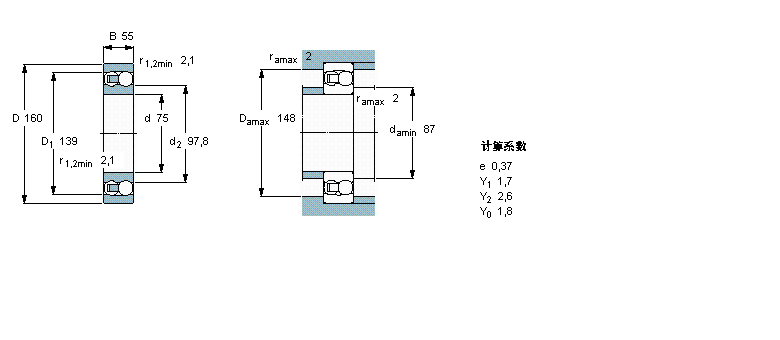
內徑:75
外徑:160
厚度:55
系列:自調心球軸承, 圓柱孔和圓錐孔, 圓柱型內孔, 無密封件
【
手機版 2315軸承
點擊量
更新日期:2021/12/28
】
電話:020-36026999 傳真:020-36705678 服務熱線:18922176822 郵箱:sales@gzbearing.cn
| 自調心球軸承, 圓柱孔和圓錐孔, 圓柱型內孔, 無密封件 | ||||||||||
| 公差 , 參見文字 | ||||||||||
| 徑向內部游隙 , 參見文字 | ||||||||||
| 推薦配合 | ||||||||||
| 軸和軸承座公差 | ||||||||||
|
|
||||||||||
| 主要數據尺寸 | 基本負荷額定值 | 疲勞負荷限值 | 額定速度 | 體積 | 型號 | |||||
| 動態(tài) | 靜態(tài) | 參照速度 | 限制速度 | |||||||
| d | D | B | C | C0 | Pu | |||||
|
|
||||||||||
| mm | kN | kN | r/min | kg | - | |||||
|
|
||||||||||
| 75 | 160 | 55 | 124 | 43 | 2,04 | 7500 | 5600 | 4,70 | 2315 | |
VJ-PDNB206軸承 51322軸承 B7214-E-T-P4S軸承 K11590-11520軸承 6910N軸承 CSXD040軸承 7219B/DB軸承 71909CDB軸承 NU340軸承 BCE3612軸承 7232ACD軸承 NJ208ET軸承 PWM8595100軸承 23036CDE4軸承 51207軸承 22316-E1-T41A軸承 GE30DO-2RS軸承 EC6202LLB軸承 7044ACD/P4A軸承 AOH32/850軸承