
鼎力晟業(yè)是SKF進口軸承代理商,不僅為工業(yè)配套用戶提供SKF 54317軸承,在維修市場也提供足夠的支持,是SKF軸承在國內的優(yōu)質經銷商之一,購買SKF 54317軸承,鼎力晟業(yè)是您放心的選擇。
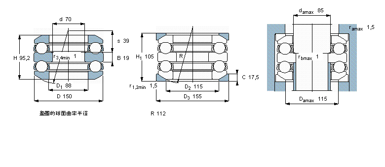
型號:54317
品牌:SKF
系列:推力球軸承, 雙向,帶球面軸承座墊圈
【
手機版 54317軸承
點擊量
更新日期:2021/12/28
】
電話:020-36026999 傳真:020-36705678 服務熱線:18922176822 郵箱:sales@gzbearing.cn
| 推力球軸承, 雙向,帶球面軸承座墊圈 | ||||||||||||
| 公差 , 參見文字 | ||||||||||||
| 推薦配合 | ||||||||||||
| 軸和軸承座公差 | ||||||||||||
|
|
||||||||||||
| 主要數據尺寸 | 基本負荷額定值 | 疲勞負荷限值 | 最小負荷系數 | 額定速度 | 體積 | 型號 | ||||||
| 動態(tài) | 靜態(tài) | 參照速度 | 限制速度 | 軸承 +墊圈 | 軸承 | 基座墊圈 | ||||||
| d | D | H1 | C | C0 | Pu | A | ||||||
|
|
||||||||||||
| mm | kN | kN | - | r/min | kg | - | ||||||
|
|
||||||||||||
| 70 | 150 | 105 | 190 | 465 | 16 | 1,1 | 1600 | 2200 | 7,95 | 54317 | U317 | |
NJ2219E+HJ2219E軸承 29360軸承 7013C/DT軸承 7312BDB軸承 6002軸承 K32X39X16軸承 NU421M軸承 BT2B332237A/HA1軸承 62/32-ZN軸承 16002-Z軸承 7201BDB軸承 EGB2430-E40-B軸承 22236-E1軸承 NNTR60X150X75-2ZL軸承 7218BDT軸承 6219Z軸承 2218軸承 7215-B-TVP軸承 NUP205ECML軸承 7211B.T軸承