
SKF進口軸承代理鼎力晟業(yè)為用戶提供高品質的N307ECM軸承,無論是工業(yè)配套還是維修市場,用戶都可以在這里找到貨期最短的SKF N307ECM軸承,確保您的不間斷生產。
型號:N307ECM
品牌:SKF
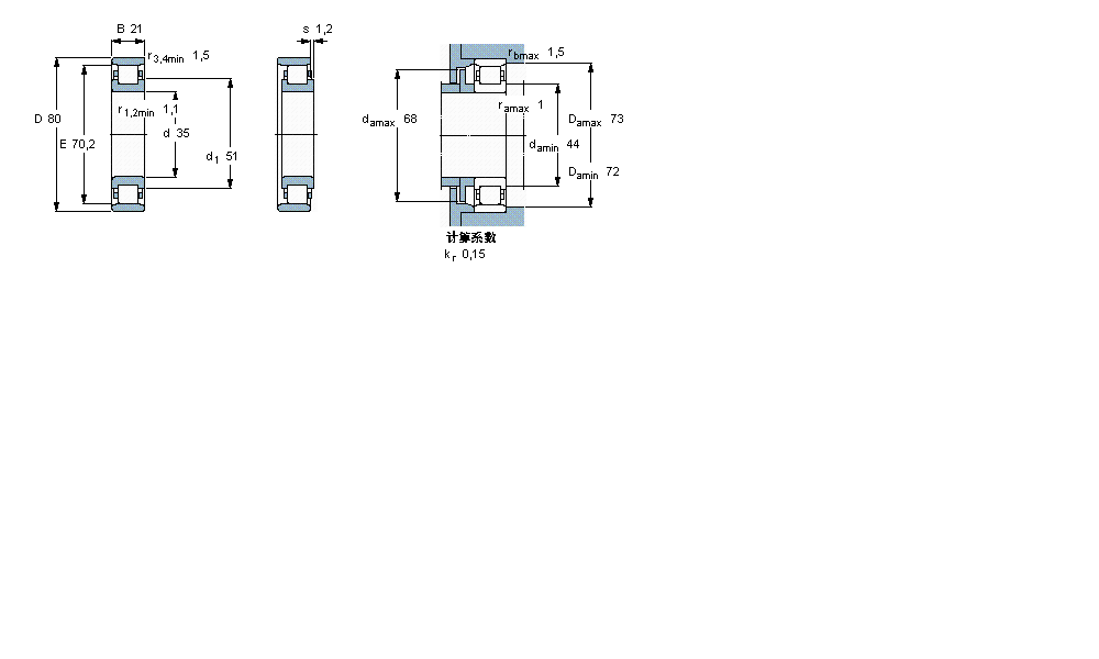
內徑:35
外徑:80
厚度:21
系列:圓柱滾子軸承, 單列, N 設計
【
手機版 N307ECM軸承
點擊量
更新日期:2021/12/28
】
電話:020-36026999 傳真:020-36705678 服務熱線:18922176822 郵箱:sales@gzbearing.cn
| 圓柱滾子軸承, 單列, N 設計 | ||||||||||||
| 公差 , 參見文字 | ||||||||||||
| 徑向內部間隙, 圓柱型內孔 , 圓錐型內孔, 無密封件 , 參見文字 | ||||||||||||
| 推薦配合 | ||||||||||||
| 軸和軸承座公差 | ||||||||||||
|
|
||||||||||||
| 主要數據尺寸 | 基本負荷額定值 | 疲勞負荷限值 | 額定速度 | 體積 | 型號 | 適宜的斜擋圈 | ||||||
| 動態(tài) | 靜態(tài) | 參照速度 | 限制速度 | 型號 | ||||||||
| d | D | B | C | C0 | Pu | * - SKF Explorer 軸承 | ||||||
|
|
||||||||||||
| mm | kN | kN | r/min | kg | - | - | ||||||
|
|
||||||||||||
| 35 | 80 | 21 | 75 | 63 | 8,15 | 9500 | 11000 | 0,55 | N 307 ECM * | - | ||
NU2220ECM軸承 52420軸承 H3140L軸承 24122ESK30.TVPB軸承 NUP2308軸承 6219LLB軸承 NF213M軸承 NU2228EM軸承 71800ACD/HCP4軸承 89456-M軸承 71892AGMB軸承 EE420651/421437軸承 K8×11×8軸承 KMJ20×26×20軸承 NU2344ECMA軸承 RFU293424A軸承 34300/34478軸承 7309B軸承 F-800594.ZL-K-C5軸承 20217-MB軸承