
作為傳統(tǒng)的進口軸承代理商,鼎力晟業(yè)以廣州為基地,全方位展開與SKF公司的合作,為本地SKF NJ228ECML軸承提供強大的貨源支持,并迅速推廣到全國各地,經過多年的努力,NJ228ECML軸承已成為我們的主導產品之一。
型號:NJ228ECML
品牌:SKF
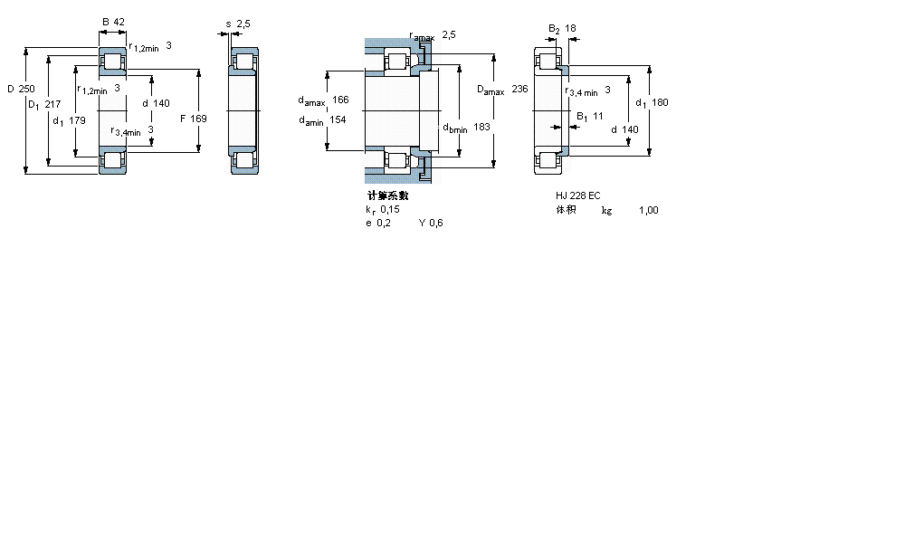
內徑:140
外徑:250
厚度:42
系列:圓柱滾子軸承, 單列, NJ 設計
【
手機版 NJ228ECML軸承
點擊量
更新日期:2021/12/28
】
電話:020-36026999 傳真:020-36705678 服務熱線:18922176822 郵箱:sales@gzbearing.cn
| 圓柱滾子軸承, 單列, NJ 設計 | ||||||||||||
| 公差 , 參見文字 | ||||||||||||
| 徑向內部間隙, 圓柱型內孔 , 圓錐型內孔, 無密封件 , 參見文字 | ||||||||||||
| 推薦配合 | ||||||||||||
| 軸和軸承座公差 | ||||||||||||
|
|
||||||||||||
| 主要數據尺寸 | 基本負荷額定值 | 疲勞負荷限值 | 額定速度 | 體積 | 型號 | 適宜的斜擋圈 | ||||||
| 動態(tài) | 靜態(tài) | 參照速度 | 限制速度 | 型號 | ||||||||
| d | D | B | C | C0 | Pu | * - SKF Explorer 軸承 | ||||||
|
|
||||||||||||
| mm | kN | kN | r/min | kg | - | - | ||||||
|
|
||||||||||||
| 140 | 250 | 42 | 450 | 510 | 57 | 2800 | 3200 | 8,75 | NJ 228 ECML * | HJ 228 EC | ||
TASE50-N軸承 331752軸承 GRRY30-VA軸承 R1-4軸承 6903ZZE軸承 625ZZ軸承 795/792CD軸承 AHX2326/115G軸承 NUP317ECP軸承 LRT253017軸承 NKIA5910軸承 29264-E-MB軸承 NKI15/2O軸承 NJ328+HJ328軸承 NJ212軸承 52306軸承 81115-TV軸承 B7220-C-T-P4S軸承 NN3010軸承 SAL70ES-2RS軸承