
我們不僅提供SKF NJ315ECJ軸承,還提供SKF品牌的其他品牌產品,以及SKF NJ315ECJ軸承的替換型號,萬千種型號,任您選擇。
型號:NJ315ECJ
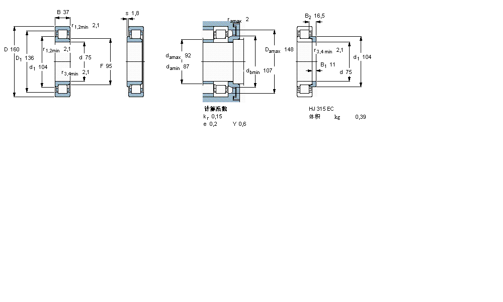
品牌:SKF
內徑:75
外徑:160
厚度:37
系列:圓柱滾子軸承, 單列, NJ 設計
【
手機版 NJ315ECJ軸承
點擊量
更新日期:2021/12/28
】
電話:020-36026999 傳真:020-36705678 服務熱線:18922176822 郵箱:sales@gzbearing.cn
| 圓柱滾子軸承, 單列, NJ 設計 | ||||||||||||
| 公差 , 參見文字 | ||||||||||||
| 徑向內部間隙, 圓柱型內孔 , 圓錐型內孔, 無密封件 , 參見文字 | ||||||||||||
| 推薦配合 | ||||||||||||
| 軸和軸承座公差 | ||||||||||||
|
|
||||||||||||
| 主要數據尺寸 | 基本負荷額定值 | 疲勞負荷限值 | 額定速度 | 體積 | 型號 | 適宜的斜擋圈 | ||||||
| 動態(tài) | 靜態(tài) | 參照速度 | 限制速度 | 型號 | ||||||||
| d | D | B | C | C0 | Pu | * - SKF Explorer 軸承 | ||||||
|
|
||||||||||||
| mm | kN | kN | r/min | kg | - | - | ||||||
|
|
||||||||||||
| 75 | 160 | 37 | 280 | 265 | 33,5 | 4500 | 5300 | 3,35 | NJ 315 ECJ * | HJ 315 EC | ||
5219A-2NS軸承 LRT283220軸承 30226軸承 NCF2948CV軸承 6306-2ZN軸承 NJ2306軸承 B7004-E-2RSD-T-P4S軸承 1211軸承 NU2234軸承 7202B軸承 UCT310軸承 GIL17-UK軸承 BK0509軸承 5306E-2RS1軸承 6208-2RZ軸承 C5020-2CS5V軸承 HSS7024-E-T-P4S軸承 628/7-2Z軸承 21318RHK軸承 4T-430212X軸承