
鼎力晟業(yè)是SKF進口軸承代理商,不僅為工業(yè)配套用戶提供SKF NNCF4916CV軸承,在維修市場也提供足夠的支持,是SKF軸承在國內的優(yōu)質經銷商之一,購買SKF NNCF4916CV軸承,鼎力晟業(yè)是您放心的選擇。
型號:NNCF4916CV
品牌:SKF
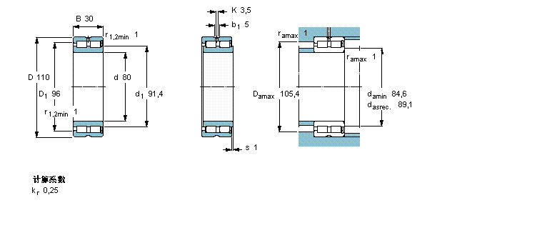
內徑:80
外徑:110
厚度:30
系列:圓柱滾子軸承, 雙列滿裝滾子, 無密封件, 單方向軸向負荷的擋邊
【
手機版 NNCF4916CV軸承
點擊量
更新日期:2021/12/28
】
電話:020-36026999 傳真:020-36705678 服務熱線:18922176822 郵箱:sales@gzbearing.cn
| 圓柱滾子軸承, 雙列滿裝滾子, 無密封件, 單方向軸向負荷的擋邊 | ||||||||||
| 公差 , 參見文字 | ||||||||||
| 徑向內部游隙 , 參見文字 | ||||||||||
| 推薦配合 | ||||||||||
| 軸和軸承座公差 | ||||||||||
|
|
||||||||||
| 主要數據尺寸 | 基本負荷額定值 | 疲勞負荷限值 | 額定速度 | 體積 | 型號 | |||||
| 動態(tài) | 靜態(tài) | 參照速度 | 限制速度 | |||||||
| d | D | B | C | C0 | Pu | |||||
|
|
||||||||||
| mm | kN | kN | r/min | kg | - | |||||
|
|
||||||||||
| 80 | 110 | 30 | 121 | 216 | 25 | 2600 | 3400 | 0,87 | NNCF 4916 CV | |
NJ208E軸承 6008-2NSE軸承 HJ214E軸承 NUP312EG軸承 NU2244軸承 HC7012-E-T-P4S軸承 NART6VUUR軸承 C3172M軸承 ZARN2062LTN軸承 HJ2306軸承 RASE20-N-FA125軸承 NJ238EM+HJ238E軸承 SI40TXE-2LS軸承 7303DF軸承 EGF18220-E40軸承 23224BD1軸承 6215DDU軸承 T4FE070軸承 7205ACD/DT軸承 29430R軸承