
購買SKF NNCL4832CV軸承,及NNCL4832CV軸承同系列產品,或者SKF公司其他產品,請聯系SKF進口軸承代理-鼎力晟業(yè),我們提供準時高效的服務。
型號:NNCL4832CV
品牌:SKF
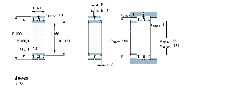
內徑:160
外徑:200
厚度:40
系列:圓柱滾子軸承, 雙列滿裝滾子, 無密封件, 沒有載荷支承能力
【
手機版 NNCL4832CV軸承
點擊量
更新日期:2021/12/28
】
電話:020-36026999 傳真:020-36705678 服務熱線:18922176822 郵箱:sales@gzbearing.cn
| 圓柱滾子軸承, 雙列滿裝滾子, 無密封件, 沒有載荷支承能力 | ||||||||||
| 公差 , 參見文字 | ||||||||||
| 徑向內部游隙 , 參見文字 | ||||||||||
| 推薦配合 | ||||||||||
| 軸和軸承座公差 | ||||||||||
|
|
||||||||||
| 主要數據尺寸 | 基本負荷額定值 | 疲勞負荷限值 | 額定速度 | 體積 | 型號 | |||||
| 動態(tài) | 靜態(tài) | 參照速度 | 限制速度 | |||||||
| d | D | B | C | C0 | Pu | |||||
|
|
||||||||||
| mm | kN | kN | r/min | kg | - | |||||
|
|
||||||||||
| 160 | 200 | 40 | 260 | 610 | 62 | 1400 | 1700 | 2,90 | NNCL 4832 CV | |
25581/25521軸承 LRBZ81216B軸承 30309CR軸承 7222B軸承 BTM110B/P4CDBB軸承 NUP206EG軸承 1755/1729軸承 TA3530Z軸承 231S.1200軸承 B71905C軸承 K10x14x13TN軸承 RNA6917UU軸承 609-RS軸承 NJ2213ET軸承 EGB120100-E40軸承 240/850-B-K30-MB+AH240/850軸承 23022CCK/W33+H322軸承 B71903-E-2RSD-T-P4S軸承 6303-Z軸承 71810-B-TVH軸承