
購買SKF NU1024ML軸承,及NU1024ML軸承同系列產品,或者SKF公司其他產品,請聯系SKF進口軸承代理-鼎力晟業(yè),我們提供準時高效的服務。
型號:NU1024ML
品牌:SKF
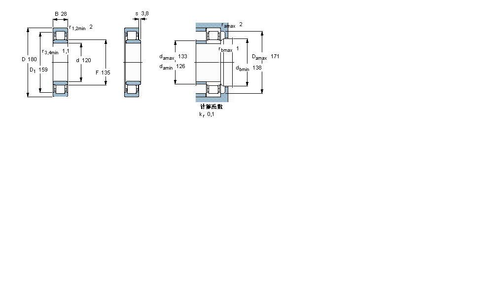
內徑:120
外徑:180
厚度:28
系列:圓柱滾子軸承, 單列, NU 設計
【
手機版 NU1024ML軸承
點擊量
更新日期:2021/12/28
】
電話:020-36026999 傳真:020-36705678 服務熱線:18922176822 郵箱:sales@gzbearing.cn
| 圓柱滾子軸承, 單列, NU 設計 | ||||||||||||
| 公差 , 參見文字 | ||||||||||||
| 徑向內部間隙, 圓柱型內孔 , 圓錐型內孔, 無密封件 , 參見文字 | ||||||||||||
| 推薦配合 | ||||||||||||
| 軸和軸承座公差 | ||||||||||||
|
|
||||||||||||
| 主要數據尺寸 | 基本負荷額定值 | 疲勞負荷限值 | 額定速度 | 體積 | 型號 | 適宜的斜擋圈 | ||||||
| 動態(tài) | 靜態(tài) | 參照速度 | 限制速度 | 型號 | ||||||||
| d | D | B | C | C0 | Pu | |||||||
|
|
||||||||||||
| mm | kN | kN | r/min | kg | - | - | ||||||
|
|
||||||||||||
| 120 | 180 | 28 | 134 | 183 | 20,8 | 4000 | 6300 | 2,45 | NU 1024 ML | - | ||
5066/5185軸承 NAG4922UU軸承 NJ2305軸承 NKS28軸承 TR9512045軸承 11205-TVH軸承 B7224C.T.P4S.UL軸承 NU20/560ECMA軸承 NU2226軸承 7326B/DT軸承 71934CDF軸承 NA4919軸承 7911CDF軸承 ZKLF40100.2RSPE軸承 NJ2310E軸承 W61902軸承 7304BECBM軸承 7908DB軸承 66584軸承 6213LU軸承