
購買SKF NU1084MA軸承,及NU1084MA軸承同系列產品,或者SKF公司其他產品,請聯系SKF進口軸承代理-鼎力晟業(yè),我們提供準時高效的服務。
型號:NU1084MA
品牌:SKF
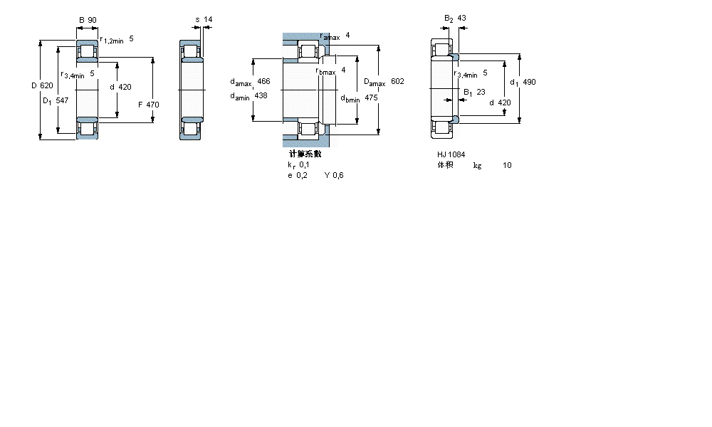
內徑:420
外徑:620
厚度:90
系列:圓柱滾子軸承, 單列, NU 設計
【
手機版 NU1084MA軸承
點擊量
更新日期:2021/12/28
】
電話:020-36026999 傳真:020-36705678 服務熱線:18922176822 郵箱:sales@gzbearing.cn
| 圓柱滾子軸承, 單列, NU 設計 | ||||||||||||
| 公差 , 參見文字 | ||||||||||||
| 徑向內部間隙, 圓柱型內孔 , 圓錐型內孔, 無密封件 , 參見文字 | ||||||||||||
| 推薦配合 | ||||||||||||
| 軸和軸承座公差 | ||||||||||||
|
|
||||||||||||
| 主要數據尺寸 | 基本負荷額定值 | 疲勞負荷限值 | 額定速度 | 體積 | 型號 | 適宜的斜擋圈 | ||||||
| 動態(tài) | 靜態(tài) | 參照速度 | 限制速度 | 型號 | ||||||||
| d | D | B | C | C0 | Pu | |||||||
|
|
||||||||||||
| mm | kN | kN | r/min | kg | - | - | ||||||
|
|
||||||||||||
| 420 | 620 | 90 | 1420 | 2450 | 212 | 1100 | 1400 | 96,0 | NU 1084 MA | HJ 1084 | ||
CSXAA017-TN軸承 ZAXFM2575軸承 E2.22209軸承 NU340軸承 ZKLFA1263-2RS軸承 7311CDT軸承 31324D軸承 HK5528軸承 PAKY20軸承 IRT2230-1軸承 21319C軸承 NUP2324E軸承 NF419軸承 NNC4844CV軸承 6221ZNR軸承 NCF28/800V軸承 351153軸承 29388EM軸承 K38x46x32軸承 47620軸承