
我們不僅提供SKF NU211ECJ軸承,還提供SKF品牌的其他品牌產品,以及SKF NU211ECJ軸承的替換型號,萬千種型號,任您選擇。
型號:NU211ECJ
品牌:SKF
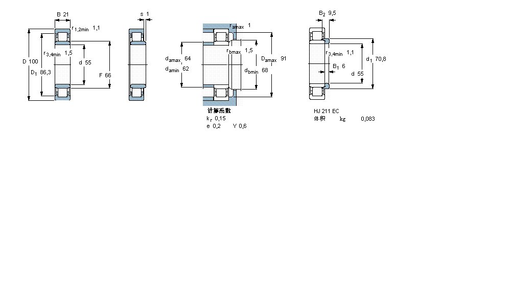
內徑:55
外徑:100
厚度:21
系列:圓柱滾子軸承, 單列, NU 設計
【
手機版 NU211ECJ軸承
點擊量
更新日期:2021/12/28
】
電話:020-36026999 傳真:020-36705678 服務熱線:18922176822 郵箱:sales@gzbearing.cn
| 圓柱滾子軸承, 單列, NU 設計 | ||||||||||||
| 公差 , 參見文字 | ||||||||||||
| 徑向內部間隙, 圓柱型內孔 , 圓錐型內孔, 無密封件 , 參見文字 | ||||||||||||
| 推薦配合 | ||||||||||||
| 軸和軸承座公差 | ||||||||||||
|
|
||||||||||||
| 主要數據尺寸 | 基本負荷額定值 | 疲勞負荷限值 | 額定速度 | 體積 | 型號 | 適宜的斜擋圈 | ||||||
| 動態(tài) | 靜態(tài) | 參照速度 | 限制速度 | 型號 | ||||||||
| d | D | B | C | C0 | Pu | * - SKF Explorer 軸承 | ||||||
|
|
||||||||||||
| mm | kN | kN | r/min | kg | - | - | ||||||
|
|
||||||||||||
| 55 | 100 | 21 | 96,5 | 95 | 12,2 | 7500 | 8000 | 0,69 | NU 211 ECJ * | HJ 211 EC | ||
EGB10060-E40-B軸承 HCB71940-E-T-P4S軸承 231/560EW33軸承 4T-55200C/55443軸承 6415軸承 KM7軸承 S7014ACD/HCP4A軸承 HK5020軸承 NU416ECM軸承 618/1000MA軸承 47T483729軸承 NJ2320+HJ2320軸承 623/HR22T2軸承 GE220-FO-2RS軸承 23234CC/W33軸承 C2215軸承 22211EAKE4軸承 22316-E1-K-T41A+AHX2316軸承 NJ332EC+HJ332EC軸承 81292MPB軸承