
我們不僅提供SKF NU2212ECML軸承,還提供SKF品牌的其他品牌產品,以及SKF NU2212ECML軸承的替換型號,萬千種型號,任您選擇。
型號:NU2212ECML
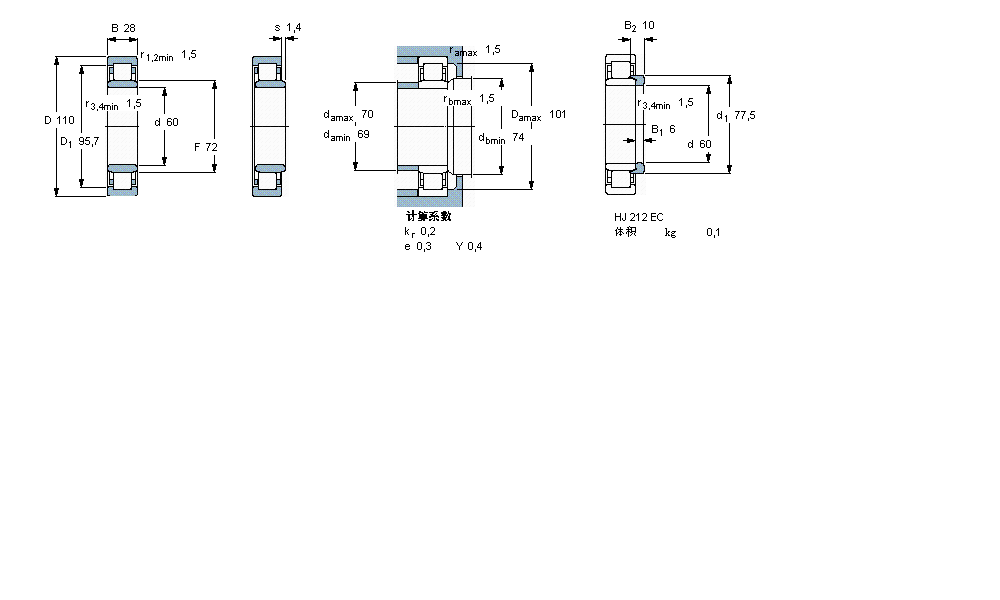
品牌:SKF
內徑:60
外徑:110
厚度:28
系列:圓柱滾子軸承, 單列, NU 設計
【
手機版 NU2212ECML軸承
點擊量
更新日期:2021/12/28
】
電話:020-36026999 傳真:020-36705678 服務熱線:18922176822 郵箱:sales@gzbearing.cn
| 圓柱滾子軸承, 單列, NU 設計 | ||||||||||||
| 公差 , 參見文字 | ||||||||||||
| 徑向內部間隙, 圓柱型內孔 , 圓錐型內孔, 無密封件 , 參見文字 | ||||||||||||
| 推薦配合 | ||||||||||||
| 軸和軸承座公差 | ||||||||||||
|
|
||||||||||||
| 主要數據尺寸 | 基本負荷額定值 | 疲勞負荷限值 | 額定速度 | 體積 | 型號 | 適宜的斜擋圈 | ||||||
| 動態(tài) | 靜態(tài) | 參照速度 | 限制速度 | 型號 | ||||||||
| d | D | B | C | C0 | Pu | * - SKF Explorer 軸承 | ||||||
|
|
||||||||||||
| mm | kN | kN | r/min | kg | - | - | ||||||
|
|
||||||||||||
| 60 | 110 | 28 | 146 | 153 | 20 | 6700 | 11000 | 1,10 | NU 2212 ECML * | HJ 212 EC | ||
PCM606540M軸承 GEP100FS軸承 7336B軸承 3307A-RS軸承 TA5020Z軸承 TAW6550Z軸承 5304BLLU軸承 UCFL209-111D1軸承 N205-E-TVP2軸承 7014C軸承 7234軸承 SCE45軸承 6214DD軸承 HCS7007-E-T-P4S軸承 7936CDB軸承 7312DT軸承 NU410軸承 7000C/DT軸承 23332-A-MA-T41A軸承 30256軸承