
作為傳統(tǒng)的進口軸承代理商,鼎力晟業(yè)以廣州為基地,全方位展開與SKF公司的合作,為本地SKF NU2216ECML軸承提供強大的貨源支持,并迅速推廣到全國各地,經過多年的努力,NU2216ECML軸承已成為我們的主導產品之一。
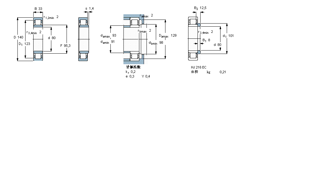
型號:NU2216ECML
品牌:SKF
內徑:80
外徑:140
厚度:33
系列:圓柱滾子軸承, 單列, NU 設計
【
手機版 NU2216ECML軸承
點擊量
更新日期:2021/12/28
】
電話:020-36026999 傳真:020-36705678 服務熱線:18922176822 郵箱:sales@gzbearing.cn
| 圓柱滾子軸承, 單列, NU 設計 | ||||||||||||
| 公差 , 參見文字 | ||||||||||||
| 徑向內部間隙, 圓柱型內孔 , 圓錐型內孔, 無密封件 , 參見文字 | ||||||||||||
| 推薦配合 | ||||||||||||
| 軸和軸承座公差 | ||||||||||||
|
|
||||||||||||
| 主要數據尺寸 | 基本負荷額定值 | 疲勞負荷限值 | 額定速度 | 體積 | 型號 | 適宜的斜擋圈 | ||||||
| 動態(tài) | 靜態(tài) | 參照速度 | 限制速度 | 型號 | ||||||||
| d | D | B | C | C0 | Pu | * - SKF Explorer 軸承 | ||||||
|
|
||||||||||||
| mm | kN | kN | r/min | kg | - | - | ||||||
|
|
||||||||||||
| 80 | 140 | 33 | 212 | 245 | 31 | 5300 | 8500 | 2,20 | NU 2216 ECML * | HJ 216 EC | ||
RNAO15x23x13軸承 BT4B332671/HA1軸承 30224U軸承 6205NR軸承 B7203E.X軸承 22230EW33K軸承 6820Z軸承 7213B/DT軸承 H306X軸承 61814軸承 N219-E-TVP2軸承 6834軸承 2×7310BECBY軸承 3205A-Z軸承 BT2B328705/HA1軸承 7001AC/DB軸承 HR30306J軸承 LASE45軸承 231/800EW33軸承 46T30317JR/77軸承