
SKF NU2226ECML軸承是鼎力晟業(yè)長期代理的產品,鼎力晟業(yè)與SKF公司具有長期的NU2226ECML軸承采購計劃,可以為國內用戶提供足夠數量的SKF NU2226ECML軸承,讓您的工廠無憂運轉。
型號:NU2226ECML
品牌:SKF
內徑:130
外徑:230
厚度:64
系列:圓柱滾子軸承, 單列, NU 設計
【
手機版 NU2226ECML軸承
點擊量
更新日期:2021/12/28
】
電話:020-36026999 傳真:020-36705678 服務熱線:18922176822 郵箱:sales@gzbearing.cn
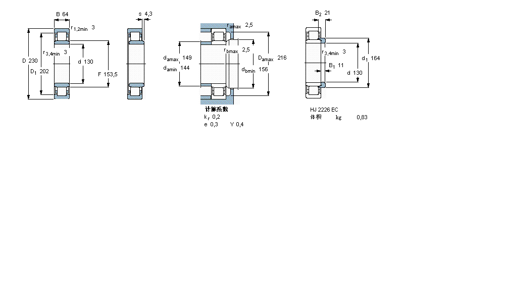
| 圓柱滾子軸承, 單列, NU 設計 | ||||||||||||
| 公差 , 參見文字 | ||||||||||||
| 徑向內部間隙, 圓柱型內孔 , 圓錐型內孔, 無密封件 , 參見文字 | ||||||||||||
| 推薦配合 | ||||||||||||
| 軸和軸承座公差 | ||||||||||||
|
|
||||||||||||
| 主要數據尺寸 | 基本負荷額定值 | 疲勞負荷限值 | 額定速度 | 體積 | 型號 | 適宜的斜擋圈 | ||||||
| 動態(tài) | 靜態(tài) | 參照速度 | 限制速度 | 型號 | ||||||||
| d | D | B | C | C0 | Pu | * - SKF Explorer 軸承 | ||||||
|
|
||||||||||||
| mm | kN | kN | r/min | kg | - | - | ||||||
|
|
||||||||||||
| 130 | 230 | 64 | 610 | 735 | 83 | 3200 | 5300 | 12,0 | NU 2226 ECML * | HJ 2226 EC | ||
60KBE22軸承 31315-N11CA軸承 33011/33011軸承 22318-E1-K+H2318軸承 2313TV軸承 NUP309ECML軸承 6832DDU軸承 23076RHA軸承 21316RHK軸承 K81109-TV軸承 32236-A-N11CA軸承 6201-2RZ軸承 RNAO5x10x8TN軸承 47284軸承 7304ADT軸承 22214CC/W33軸承 HK3016-2RS軸承 HN1010軸承 7234DB軸承 7317CDT軸承