
訂購SKF NU2305ECML軸承,請隨時與我們聯系,我們將根據匯率的波動為您提供實時準確的價格,確保以最優(yōu)惠的價格為您提供優(yōu)質的SKF NU2305ECML軸承。
型號:NU2305ECML
品牌:SKF
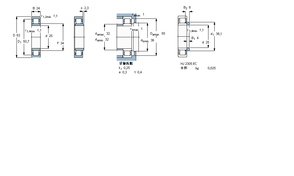
內徑:25
外徑:62
厚度:24
系列:圓柱滾子軸承, 單列, NU 設計
【
手機版 NU2305ECML軸承
點擊量
更新日期:2021/12/28
】
電話:020-36026999 傳真:020-36705678 服務熱線:18922176822 郵箱:sales@gzbearing.cn
| 圓柱滾子軸承, 單列, NU 設計 | ||||||||||||
| 公差 , 參見文字 | ||||||||||||
| 徑向內部間隙, 圓柱型內孔 , 圓錐型內孔, 無密封件 , 參見文字 | ||||||||||||
| 推薦配合 | ||||||||||||
| 軸和軸承座公差 | ||||||||||||
|
|
||||||||||||
| 主要數據尺寸 | 基本負荷額定值 | 疲勞負荷限值 | 額定速度 | 體積 | 型號 | 適宜的斜擋圈 | ||||||
| 動態(tài) | 靜態(tài) | 參照速度 | 限制速度 | 型號 | ||||||||
| d | D | B | C | C0 | Pu | * - SKF Explorer 軸承 | ||||||
|
|
||||||||||||
| mm | kN | kN | r/min | kg | - | - | ||||||
|
|
||||||||||||
| 25 | 62 | 24 | 64 | 55 | 6,95 | 12000 | 22000 | 0,41 | NU 2305 ECML * | HJ 2305 EC | ||
2207EKTN9軸承 CSEG070軸承 GTR9512045軸承 NKI100/40軸承 QJ316-N2-MPA軸承 HCB7004-E-2RSD-T-P4S軸承 22218BK+H318X軸承 HCB7217-C-T-P4S軸承 53315U軸承 62202-2RSR軸承 AHX2316軸承 GYE12-KRR-B-VA軸承 SDAF23152KAx9.7/16軸承 54234U軸承 7314BDF軸承 239/670-B-MB軸承 NKXR30軸承 130KBE52+L軸承 C3172KM+AOH3172G軸承 32015X/Q軸承