
NU230ECM軸承是SKF公司同時面向工業(yè)配套和維修市場的產品,鼎力晟業(yè)同時代理此兩項業(yè)務,不僅為批量采購的用戶提供優(yōu)惠的SKF NU230ECM軸承,同時也為零散采購用戶提供價格優(yōu)惠的及時供貨服務。
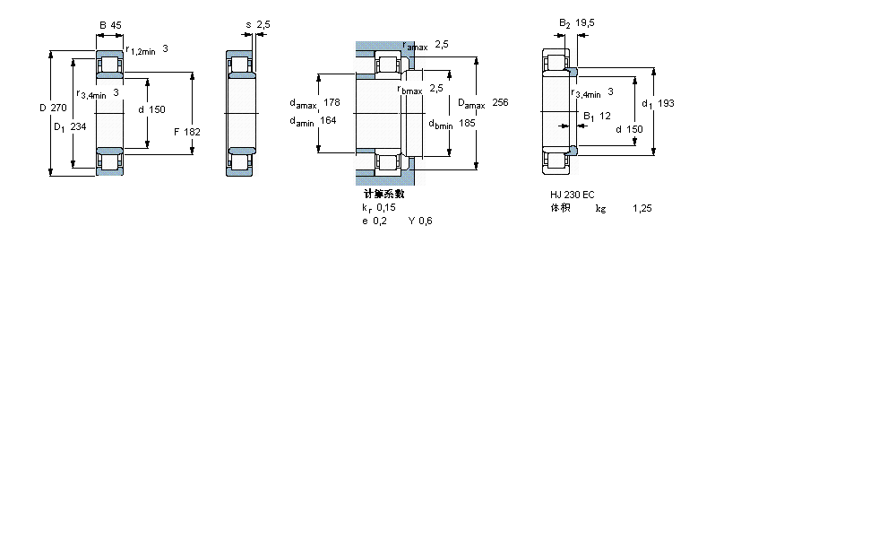
型號:NU230ECM
品牌:SKF
內徑:150
外徑:270
厚度:45
系列:圓柱滾子軸承, 單列, NU 設計
【
手機版 NU230ECM軸承
點擊量
更新日期:2021/12/28
】
電話:020-36026999 傳真:020-36705678 服務熱線:18922176822 郵箱:sales@gzbearing.cn
| 圓柱滾子軸承, 單列, NU 設計 | ||||||||||||
| 公差 , 參見文字 | ||||||||||||
| 徑向內部間隙, 圓柱型內孔 , 圓錐型內孔, 無密封件 , 參見文字 | ||||||||||||
| 推薦配合 | ||||||||||||
| 軸和軸承座公差 | ||||||||||||
|
|
||||||||||||
| 主要數據尺寸 | 基本負荷額定值 | 疲勞負荷限值 | 額定速度 | 體積 | 型號 | 適宜的斜擋圈 | ||||||
| 動態(tài) | 靜態(tài) | 參照速度 | 限制速度 | 型號 | ||||||||
| d | D | B | C | C0 | Pu | * - SKF Explorer 軸承 | ||||||
|
|
||||||||||||
| mm | kN | kN | r/min | kg | - | - | ||||||
|
|
||||||||||||
| 150 | 270 | 45 | 510 | 600 | 64 | 2600 | 2800 | 10,6 | NU 230 ECM * | HJ 230 EC | ||
NN3014K軸承 NU2240EM軸承 EN201軸承 22232-E1-K軸承 GT42軸承 B7207E.O軸承 7007AC/DT軸承 22213-E1-K+H313軸承 H242649D/H242610軸承 61932軸承 N311軸承 NN4921軸承 PME40-N軸承 NUP252軸承 61816軸承 AS90120軸承 6010-2Z軸承 HM252343/HM252310CD軸承 AXW45軸承 FLBC2.5-8軸承