
NUP2216ECM軸承是SKF公司同時面向工業(yè)配套和維修市場的產品,鼎力晟業(yè)同時代理此兩項業(yè)務,不僅為批量采購的用戶提供優(yōu)惠的SKF NUP2216ECM軸承,同時也為零散采購用戶提供價格優(yōu)惠的及時供貨服務。
型號:NUP2216ECM
品牌:SKF
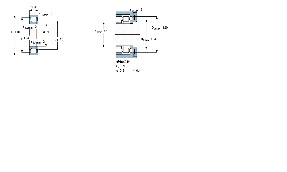
內徑:80
外徑:140
厚度:33
系列:圓柱滾子軸承, 單列, NUP 設計
【
手機版 NUP2216ECM軸承
點擊量
更新日期:2021/12/28
】
電話:020-36026999 傳真:020-36705678 服務熱線:18922176822 郵箱:sales@gzbearing.cn
| 圓柱滾子軸承, 單列, NUP 設計 | ||||||||||||
| 公差 , 參見文字 | ||||||||||||
| 徑向內部間隙, 圓柱型內孔 , 圓錐型內孔, 無密封件 , 參見文字 | ||||||||||||
| 推薦配合 | ||||||||||||
| 軸和軸承座公差 | ||||||||||||
|
|
||||||||||||
| 主要數據尺寸 | 基本負荷額定值 | 疲勞負荷限值 | 額定速度 | 體積 | 型號 | 適宜的斜擋圈 | ||||||
| 動態(tài) | 靜態(tài) | 參照速度 | 限制速度 | 型號 | ||||||||
| d | D | B | C | C0 | Pu | * - SKF Explorer 軸承 | ||||||
|
|
||||||||||||
| mm | kN | kN | r/min | kg | - | - | ||||||
|
|
||||||||||||
| 80 | 140 | 33 | 212 | 245 | 31 | 5300 | 5600 | 2,10 | NUP 2216 ECM * | - | ||
HCB7201-E-2RSD-T-P4S軸承 6014V軸承 312979D軸承 BT4B334011軸承 7328B/DB軸承 24156-B軸承 7212CDF軸承 NJ406+HJ406軸承 51216軸承 EGF16120-E40-B軸承 46T30240JR/110軸承 6909AZN軸承 1201軸承 7020AC/DB軸承 K14X18X17軸承 NAFW355034軸承 52215軸承 23130EW33軸承 CR26BUUR軸承 PHS8軸承