
訂購SKF OH30/950HE軸承,請隨時與我們聯系,我們將根據匯率的波動為您提供實時準確的價格,確保以最優(yōu)惠的價格為您提供優(yōu)質的SKF OH30/950HE軸承。
型號:OH30/950HE
品牌:SKF
系列:緊定套
【
手機版 OH30/950HE軸承
點擊量
更新日期:2021/12/28
】
電話:020-36026999 傳真:020-36705678 服務熱線:18922176822 郵箱:sales@gzbearing.cn
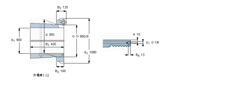
| 緊定套 | ||||||||||
|
|
||||||||||
| 尺寸 | 體積 | 型號 | ||||||||
| 緊定軸套帶螺母 | 鎖定螺母 | 鎖定裝置 | 適宜的液壓 | |||||||
| d1 | d | d3 | B1 | G | 和鎖緊裝置 | 螺母 | ||||
|
|
||||||||||
| mm | kg | - | ||||||||
|
|
||||||||||
| 900 | 950 | 1080 | 420 | Tr 950x8 | 424 | OH 30/950 HE | HME 30/950 | MS 30/950 | HMV 190 E | |
7034AC/DF軸承 NU2213軸承 7301CDF軸承 OH32/560H軸承 LL562749/LL562710軸承 CF30UUR軸承 7309AC/DF軸承 6220-RS軸承 22210EW33軸承 7324B/DB軸承 QJ310MPA軸承 23048RHAK+H3048軸承 LM814845/LM814810軸承 NUP414M軸承 SN3126軸承 81117TN軸承 511/800F軸承 23334軸承 29376軸承 SDAF22338軸承