
SKF OH3196HE軸承工業(yè)配套用戶請注意:批量采購SKF OH3196HE軸承,請至少提前一周與我們聯(lián)系,長期批量采購請?zhí)峁┠甓炔少徲媱,我們將十分感謝您的預見性,我們將提供極為優(yōu)惠的價格以保障您的權益。
型號:OH3196HE
品牌:SKF
系列:緊定套
【
手機版 OH3196HE軸承
點擊量
更新日期:2021/12/28
】
電話:020-36026999 傳真:020-36705678 服務熱線:18922176822 郵箱:sales@gzbearing.cn
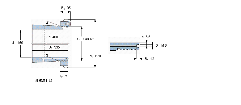
| 緊定套 | ||||||||||
|
|
||||||||||
| 尺寸 | 體積 | 型號 | ||||||||
| 緊定軸套帶螺母 | 鎖定螺母 | 鎖定裝置 | 適宜的液壓 | |||||||
| d1 | d | d3 | B1 | G | 和鎖緊裝置 | 螺母 | ||||
|
|
||||||||||
| mm | kg | - | ||||||||
|
|
||||||||||
| 450 | 480 | 620 | 335 | Tr 480x5 | 135 | OH 3196 HE | HME 3196 | MS 3196 | HMV 96 E | |
GE280ES軸承 PWM120135100軸承 NU2208ECP軸承 6307軸承 RASE1-3/16軸承 7217BDF軸承 6209軸承 32921軸承 24122-E1軸承 22206C軸承 234730-M-SP軸承 CR14BR軸承 BK1712軸承 7206AC軸承 71930C/DB軸承 2785/2729軸承 7332C/DF軸承 7313C軸承 SL183020軸承 3977/3925軸承