
鼎力晟業(yè)是SKF進口軸承代理,銷售SKF OH32/530H軸承,不僅具備價格優(yōu)勢,而且在供貨及時性、供貨能力方面具有比較優(yōu)勢,能在最短的時間內為用戶提供原裝進口的SKF OH32/530H軸承。
型號:OH32/530H
品牌:SKF
系列:緊定套
【
手機版 OH32/530H軸承
點擊量
更新日期:2021/12/28
】
電話:020-36026999 傳真:020-36705678 服務熱線:18922176822 郵箱:sales@gzbearing.cn
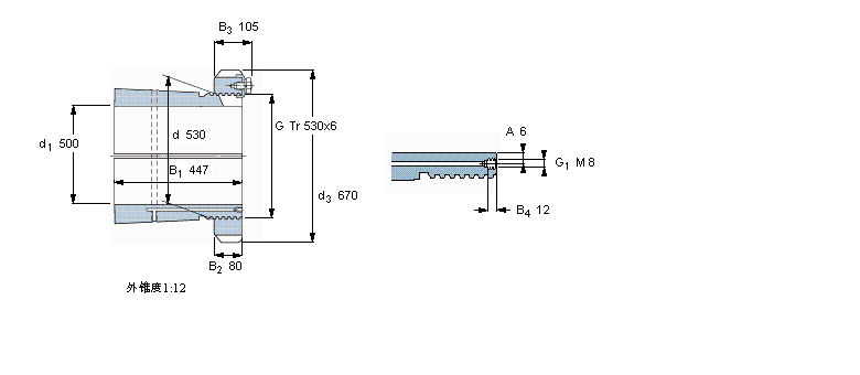
| 緊定套 | ||||||||||
|
|
||||||||||
| 尺寸 | 體積 | 型號 | ||||||||
| 緊定軸套帶螺母 | 鎖定螺母 | 鎖定裝置 | 適宜的液壓 | |||||||
| d1 | d | d3 | B1 | G | 和鎖緊裝置 | 螺母 | ||||
|
|
||||||||||
| mm | kg | - | ||||||||
|
|
||||||||||
| 500 | 530 | 670 | 447 | Tr 530x6 | 192 | OH 32/530 H | HM 31/530 | MS 31/530 | HMV 106 E | |