
購買SKF SI25ES軸承,及SI25ES軸承同系列產品,或者SKF公司其他產品,請聯系SKF進口軸承代理-鼎力晟業(yè),我們提供準時高效的服務。
型號:SI25ES
品牌:SKF
系列:需要維護的桿端, 鋼對鋼,陰螺紋
【
手機版 SI25ES軸承
點擊量
更新日期:2021/12/28
】
電話:020-36026999 傳真:020-36705678 服務熱線:18922176822 郵箱:sales@gzbearing.cn
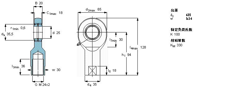
| 需要維護的桿端, 鋼對鋼,陰螺紋 | |||||||||||
| 公差 , 參見文字 | |||||||||||
| 徑向內部游隙 , 參見文字 | |||||||||||
|
|
|||||||||||
| 主要數據尺寸 | 角度傾的 | 基本負荷額定值 | 質量 | 型號 | |||||||
| 動態(tài) | 靜態(tài) | 桿端帶右或左旋螺紋 | |||||||||
| d | d2 | B | d3 | C1 | h1 | ± | C | C0 | |||
| 6H | |||||||||||
|
|
|||||||||||
| mm | 度數 | kN | kg | - | |||||||
|
|
|||||||||||
| 25 | 65 | 20 | M 24x2 | 18 | 94 | 7 | 48 | 90 | 0,65 | SI 25 ES | |
7226AC軸承 7020CDB軸承 7207C/DT軸承 7317CDT軸承 53311U軸承 CRBC50040軸承 NU209E軸承 FTO14軸承 476/472軸承 7006ACD/P4A軸承 7212CD/DF軸承 22334BKD1軸承 HM3168軸承 89415-M軸承 71808ACD/HCP4軸承 7248C/DT軸承 NU211ECM軸承 4T-32210軸承 NU2252-E-M1軸承 FBSA208/QFC軸承