
鼎力晟業(yè)是SKF進口軸承代理商,不僅為工業(yè)配套用戶提供SKF W61802-2Z軸承,在維修市場也提供足夠的支持,是SKF軸承在國內的優(yōu)質經銷商之一,購買SKF W61802-2Z軸承,鼎力晟業(yè)是您放心的選擇。
型號:W61802-2Z
品牌:SKF
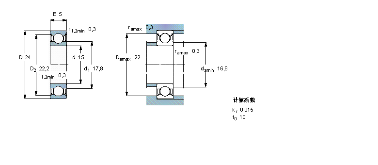
內徑:15
外徑:24
厚度:5
系列:深溝球軸承, 單列,不銹鋼, 兩面防塵罩
【
手機版 W61802-2Z軸承
點擊量
更新日期:2021/12/28
】
電話:020-36026999 傳真:020-36705678 服務熱線:18922176822 郵箱:sales@gzbearing.cn
| 深溝球軸承, 單列,不銹鋼, 兩面防塵罩 | ||||||||||
| 公差 , 參見文字 | ||||||||||
| 徑向內部游隙 , 參見文字 | ||||||||||
| 推薦配合 | ||||||||||
| 軸和軸承座公差 | ||||||||||
|
|
||||||||||
| 主要數據尺寸 | 基本負荷額定值 | 疲勞負荷限值 | 額定速度 | 體積 | 型號 | |||||
| 動態(tài) | 靜態(tài) | 參照速度 | 限制速度 | |||||||
| d | D | B | C | C0 | Pu | |||||
|
|
||||||||||
| mm | kN | kN | r/min | kg | - | |||||
|
|
||||||||||
| 15 | 24 | 5 | 1,3 | 0,78 | 0,034 | 60000 | 30000 | 0,0076 | W 61802-2Z | |
2202軸承 22205AEXK軸承 NF212軸承 NUP2219軸承 7238AC軸承 2208K軸承 BCE47軸承 6010-Z軸承 61905-2RZ軸承 33019軸承 29492E軸承 607-2RS軸承 31314A軸承 PCM081006B軸承 23052BKD1+H3052軸承 22216AEX軸承 7000C/DF軸承 6003V軸承 NNU4152-M軸承 C2209KTN9+H309E軸承