
作為傳統(tǒng)的進口軸承代理商,鼎力晟業(yè)以廣州為基地,全方位展開與SKF公司的合作,為本地SKF W6203-2Z軸承提供強大的貨源支持,并迅速推廣到全國各地,經過多年的努力,W6203-2Z軸承已成為我們的主導產品之一。
型號:W6203-2Z
品牌:SKF
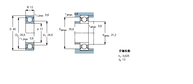
內徑:17
外徑:40
厚度:12
系列:深溝球軸承, 單列,不銹鋼, 兩面防塵罩
【
手機版 W6203-2Z軸承
點擊量
更新日期:2021/12/28
】
電話:020-36026999 傳真:020-36705678 服務熱線:18922176822 郵箱:sales@gzbearing.cn
| 深溝球軸承, 單列,不銹鋼, 兩面防塵罩 | ||||||||||
| 公差 , 參見文字 | ||||||||||
| 徑向內部游隙 , 參見文字 | ||||||||||
| 推薦配合 | ||||||||||
| 軸和軸承座公差 | ||||||||||
|
|
||||||||||
| 主要數據尺寸 | 基本負荷額定值 | 疲勞負荷限值 | 額定速度 | 體積 | 型號 | |||||
| 動態(tài) | 靜態(tài) | 參照速度 | 限制速度 | |||||||
| d | D | B | C | C0 | Pu | |||||
|
|
||||||||||
| mm | kN | kN | r/min | kg | - | |||||
|
|
||||||||||
| 17 | 40 | 12 | 8,06 | 4,65 | 0,2 | 38000 | 19000 | 0,065 | W 6203-2Z | |
HCB71901-C-T-P4S軸承 LRT18019545軸承 6905LU軸承 7021AC/DB軸承 4T-15112/15245軸承 6405軸承 2917軸承 21309EK+H309軸承 1218軸承 BCE107軸承 BHA1412Z軸承 BCSB322810軸承 NJ313-E-TVP2+HJ313E軸承 GT9軸承 B71926C軸承 BA87Z軸承 NJ2315EM軸承 M241547C/M241510軸承 NNCL4930CV軸承 CF18UUR軸承