
SKF W624-2Z軸承是鼎力晟業(yè)長期代理的產品,鼎力晟業(yè)與SKF公司具有長期的W624-2Z軸承采購計劃,可以為國內用戶提供足夠數量的SKF W624-2Z軸承,讓您的工廠無憂運轉。
型號:W624-2Z
品牌:SKF
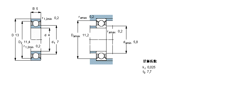
內徑:4
外徑:13
厚度:5
系列:深溝球軸承, 單列,不銹鋼, 兩面防塵罩
【
手機版 W624-2Z軸承
點擊量
更新日期:2021/12/28
】
電話:020-36026999 傳真:020-36705678 服務熱線:18922176822 郵箱:sales@gzbearing.cn
| 深溝球軸承, 單列,不銹鋼, 兩面防塵罩 | ||||||||||
| 公差 , 參見文字 | ||||||||||
| 徑向內部游隙 , 參見文字 | ||||||||||
| 推薦配合 | ||||||||||
| 軸和軸承座公差 | ||||||||||
|
|
||||||||||
| 主要數據尺寸 | 基本負荷額定值 | 疲勞負荷限值 | 額定速度 | 體積 | 型號 | |||||
| 動態(tài) | 靜態(tài) | 參照速度 | 限制速度 | |||||||
| d | D | B | C | C0 | Pu | |||||
|
|
||||||||||
| mm | kN | kN | r/min | kg | - | |||||
|
|
||||||||||
| 4 | 13 | 5 | 0,793 | 0,28 | 0,012 | 110000 | 53000 | 0,0031 | W 624-2Z | |
NUP314ET軸承 7303-B-2RS-TVP軸承 K6X9X10-TV軸承 7214BEP軸承 K598-A-593-X軸承 FWF-252910軸承 23944R軸承 N2205E軸承 689軸承 HJ324E軸承 7213C/DB軸承 F625ZZ軸承 24080-B-K30-MB+AH24080軸承 HJ309軸承 33112+T3CE060軸承 32312J軸承 HC71905-C-T-P4S軸承 BK2012軸承 2213K.2RS.TV.C3軸承 7201AC/DF軸承