
鼎力晟業(yè)是SKF進口軸承代理商,不僅為工業(yè)配套用戶提供SKF 16004/HR22Q2軸承,在維修市場也提供足夠的支持,是SKF軸承在國內的優(yōu)質經銷商之一,購買SKF 16004/HR22Q2軸承,鼎力晟業(yè)是您放心的選擇。
型號:16004/HR22Q2
品牌:SKF
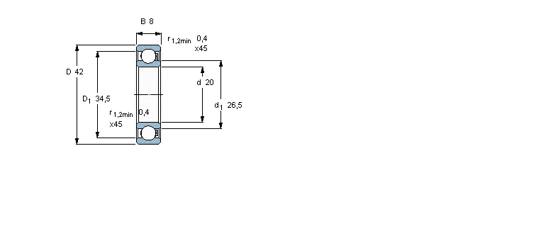
內徑:20
外徑:42
厚度:8
系列:聚合物球軸承,單列球軸承, PP/PP/glass/PP
【
手機版 16004/HR22Q2軸承
點擊量
更新日期:2021/12/28
】
電話:020-36026999 傳真:020-36705678 服務熱線:18922176822 郵箱:sales@gzbearing.cn
| 聚合物球軸承,單列球軸承, PP/PP/glass/PP | ||||||||
|
|
||||||||
| 主要數據尺寸 | 負荷能力 | 額定速度 | 體積 | 型號 | ||||
| d | D | B | 動態(tài) 1) | 靜態(tài) 2) | 最大 3) | 最大 | - | |
| 1) above 50 °C and/or above 20 % | 3) Consider load carrying | |||||||
| of max speed rating consider | capability reduction according | |||||||
| reduction according to diagram | to diagram | |||||||
| 2) above 50 °C consider | ||||||||
| reduction according to diagram | ||||||||
|
|
||||||||
| mm | kN | r/min | kg | - | ||||
|
|
||||||||
| 20 | 42 | 8 | 0,205 | 0,15 | 1010 | 0,011 | 16004/HR22Q2 | |
294/530E軸承 222SM260-MA軸承 1214軸承 BC4-8014/HA4軸承 22220CC/W33軸承 NU2208-E-TVP2軸承 7330軸承 RTW602軸承 22226CDK軸承 YRT200軸承 F-800482.ZL-K-C5軸承 NA5920軸承 CSEA070軸承 52415軸承 NUP2315ECML軸承 L319249/10軸承 7210BDB軸承 N2307M軸承 71908CDB軸承 GAR10-DO軸承