
鼎力晟業(yè)是SKF進口軸承代理商,不僅為工業(yè)配套用戶提供SKF 23164CCK/W33+OH3164H軸承,在維修市場也提供足夠的支持,是SKF軸承在國內的優(yōu)質經銷商之一,購買SKF 23164CCK/W33+OH3164H軸承,鼎力晟業(yè)是您放心的選擇。
型號:23164CCK/W33+OH3164H
品牌:SKF
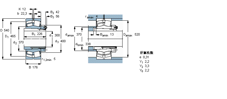
內徑:300
外徑:540
厚度:176
系列:球面滾子軸承, 帶緊定套的
【
手機版 23164CCK/W33+OH3164H軸承
點擊量
更新日期:2021/12/28
】
電話:020-36026999 傳真:020-36705678 服務熱線:18922176822 郵箱:sales@gzbearing.cn
| 球面滾子軸承, 帶緊定套的 | ||||||||||
| 公差 , 參見文字 | ||||||||||
| 徑向內部游隙 , 參見文字 | ||||||||||
| 推薦配合 | ||||||||||
| 軸和軸承座公差 | ||||||||||
|
|
||||||||||
| 主要數據尺寸 | 基本負荷額定值 | 疲勞負荷限值 | 額定速度 | 體積 | 型號 | |||||
| 動態(tài) | 靜態(tài) | 參照速度 | 限制速度 | 軸承 + 緊定套 | ||||||
| d1 | D | B | C | C0 | Pu | |||||
| * - SKF Explorer 軸承 | ||||||||||
|
|
||||||||||
| mm | kN | kN | r/min | kg | - | |||||
|
|
||||||||||
| 300 | 540 | 176 | 3750 | 6000 | 440 | 850 | 1100 | 185 | 23164 CCK/W33 + OH 3164 H * | |
AHX2317/75軸承 6200-2RS軸承 NJ326+HJ326軸承 TA1416Z軸承 16131/16284軸承 AHX317軸承 230/600-B-K-MB軸承 23280BKD1軸承 6205-2RS軸承 N328-E-M1軸承 4468軸承 XW5-3/4軸承 NNU4924S.M軸承 B7007C.T軸承 6211軸承 RASE35-N-FA125軸承 LFR5301-10-2Z軸承 30230A軸承 3381/3320軸承 16013軸承