
購買SKF 23968CC/W33軸承,及23968CC/W33軸承同系列產品,或者SKF公司其他產品,請聯(lián)系SKF進口軸承代理-鼎力晟業(yè),我們提供準時高效的服務。
型號:23968CC/W33
品牌:SKF
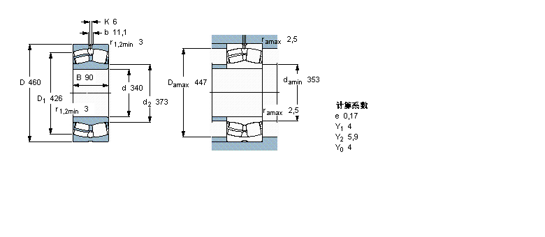
內徑:340
外徑:460
厚度:90
系列:球面滾子軸承, 圓柱和圓錐孔, 圓柱型內孔, 無密封件
【
手機版 23968CC/W33軸承
點擊量
更新日期:2021/12/28
】
電話:020-36026999 傳真:020-36705678 服務熱線:18922176822 郵箱:sales@gzbearing.cn
| 球面滾子軸承, 圓柱和圓錐孔, 圓柱型內孔, 無密封件 | ||||||||||
| 公差 , 參見文字 | ||||||||||
| 徑向內部間隙, 圓柱型內孔 , 圓錐型內孔, 無密封件 , 參見文字 | ||||||||||
| 推薦配合 | ||||||||||
| 軸和軸承座公差 | ||||||||||
|
|
||||||||||
| 主要數據尺寸 | 基本負荷額定值 | 疲勞負荷限值 | 額定速度 | 體積 | 型號 | |||||
| 動態(tài) | 靜態(tài) | 參照速度 | 限制速度 | |||||||
| d | D | B | C | C0 | Pu | * - SKF Explorer 軸承 | ||||
|
|
||||||||||
| mm | kN | kN | r/min | kg | - | |||||
|
|
||||||||||
| 340 | 460 | 90 | 1460 | 2800 | 216 | 1300 | 1400 | 45,5 | 23968 CC/W33 * | |
RSHE35-N軸承 7010ACD/HCP4A軸承 6313ZRN軸承 7220B/DB軸承 GE140GS-2RS軸承 16101軸承 EGBZ1608-E40軸承 7000C/DB軸承 GE110CS-2Z軸承 29296-E-MB軸承 NUP1010軸承 NA4822軸承 NUP424軸承 RAE35-NPP-B軸承 UK207+H2307X軸承 6810ZE軸承 NKX40Z軸承 93800/93125軸承 CRH56VBUUR軸承 5209NAS軸承