
鼎力晟業(yè)是SKF進口軸承代理,銷售SKF 23972CCK/W33+OH3972H軸承,不僅具備價格優(yōu)勢,而且在供貨及時性、供貨能力方面具有比較優(yōu)勢,能在最短的時間內為用戶提供原裝進口的SKF 23972CCK/W33+OH3972H軸承。
型號:23972CCK/W33+OH3972H
品牌:SKF
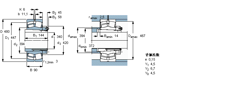
內徑:340
外徑:480
厚度:90
系列:球面滾子軸承, 帶緊定套的
【
手機版 23972CCK/W33+OH3972H軸承
點擊量
更新日期:2021/12/28
】
電話:020-36026999 傳真:020-36705678 服務熱線:18922176822 郵箱:sales@gzbearing.cn
| 球面滾子軸承, 帶緊定套的 | ||||||||||
| 公差 , 參見文字 | ||||||||||
| 徑向內部游隙 , 參見文字 | ||||||||||
| 推薦配合 | ||||||||||
| 軸和軸承座公差 | ||||||||||
|
|
||||||||||
| 主要數據尺寸 | 基本負荷額定值 | 疲勞負荷限值 | 額定速度 | 體積 | 型號 | |||||
| 動態(tài) | 靜態(tài) | 參照速度 | 限制速度 | 軸承 + 緊定套 | ||||||
| d1 | D | B | C | C0 | Pu | |||||
| * - SKF Explorer 軸承 | ||||||||||
|
|
||||||||||
| mm | kN | kN | r/min | kg | - | |||||
|
|
||||||||||
| 340 | 480 | 90 | 1400 | 2750 | 220 | 1200 | 1300 | 70,5 | 23972 CCK/W33 + OH 3972 H * | |