
購買SKF 24138CCK30/W33軸承,及24138CCK30/W33軸承同系列產品,或者SKF公司其他產品,請聯系SKF進口軸承代理-鼎力晟業(yè),我們提供準時高效的服務。
型號:24138CCK30/W33
品牌:SKF
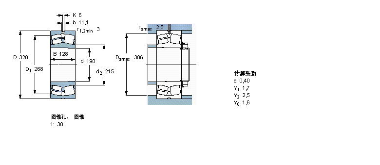
內徑:190
外徑:320
厚度:128
系列:球面滾子軸承, 圓柱和圓錐孔, 圓錐型內孔, 無密封件
【
手機版 24138CCK30/W33軸承
點擊量
更新日期:2021/12/28
】
電話:020-36026999 傳真:020-36705678 服務熱線:18922176822 郵箱:sales@gzbearing.cn
| 球面滾子軸承, 圓柱和圓錐孔, 圓錐型內孔, 無密封件 | ||||||||||
| 公差 , 參見文字 | ||||||||||
| 徑向內部間隙, 圓柱型內孔 , 圓錐型內孔, 無密封件 , 參見文字 | ||||||||||
| 推薦配合 | ||||||||||
| 軸和軸承座公差 | ||||||||||
|
|
||||||||||
| 主要數據尺寸 | 基本負荷額定值 | 疲勞負荷限值 | 額定速度 | 體積 | 型號 | |||||
| 動態(tài) | 靜態(tài) | 參照速度 | 限制速度 | |||||||
| d | D | B | C | C0 | Pu | * - SKF Explorer 軸承 | ||||
|
|
||||||||||
| mm | kN | kN | r/min | kg | - | |||||
|
|
||||||||||
| 190 | 320 | 128 | 1600 | 2500 | 212 | 1100 | 1500 | 42,5 | 24138 CCK30/W33 * | |
24026AXK30軸承 NJ209R+HJ209R軸承 7238B軸承 22318BKD1+H2318X軸承 7326CDB軸承 HCS7022-E-T-P4S軸承 24020CK30E4軸承 7930CDF軸承 CR19x32x6.3CRW1R軸承 RCJ1-1/4軸承 NJ2209ECM軸承 6800-2NKE軸承 30256軸承 CR8-1V軸承 NP330軸承 23222BK+AHX3222軸承 29252軸承 629/HR11QN軸承 6001軸承 7016CDT軸承