
248/1060CAMA/W20軸承是SKF公司同時面向工業(yè)配套和維修市場的產品,鼎力晟業(yè)同時代理此兩項業(yè)務,不僅為批量采購的用戶提供優(yōu)惠的SKF 248/1060CAMA/W20軸承,同時也為零散采購用戶提供價格優(yōu)惠的及時供貨服務。
型號:248/1060CAMA/W20
品牌:SKF
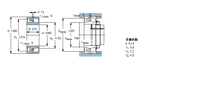
內徑:1060
外徑:1280
厚度:218
系列:球面滾子軸承, 圓柱和圓錐孔, 圓柱型內孔, 無密封件
【
手機版 248/1060CAMA/W20軸承
點擊量
更新日期:2021/12/28
】
電話:020-36026999 傳真:020-36705678 服務熱線:18922176822 郵箱:sales@gzbearing.cn
| 球面滾子軸承, 圓柱和圓錐孔, 圓柱型內孔, 無密封件 | ||||||||||
| 公差 , 參見文字 | ||||||||||
| 徑向內部間隙, 圓柱型內孔 , 圓錐型內孔, 無密封件 , 參見文字 | ||||||||||
| 推薦配合 | ||||||||||
| 軸和軸承座公差 | ||||||||||
|
|
||||||||||
| 主要數據尺寸 | 基本負荷額定值 | 疲勞負荷限值 | 額定速度 | 體積 | 型號 | |||||
| 動態(tài) | 靜態(tài) | 參照速度 | 限制速度 | |||||||
| d | D | B | C | C0 | Pu | |||||
|
|
||||||||||
| mm | kN | kN | r/min | kg | - | |||||
|
|
||||||||||
| 1060 | 1280 | 218 | 6100 | 20000 | 1200 | 200 | 380 | 570 | 248/1060 CAMA/W20 | |