
購買SKF 30218J2/DF軸承,及30218J2/DF軸承同系列產品,或者SKF公司其他產品,請聯(lián)系SKF進口軸承代理-鼎力晟業(yè),我們提供準時高效的服務。
型號:30218J2/DF
品牌:SKF
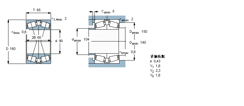
內徑:90
外徑:160
厚度:65
系列:圓錐滾子軸承, 單列,面對面配對
【
手機版 30218J2/DF軸承
點擊量
更新日期:2021/12/28
】
電話:020-36026999 傳真:020-36705678 服務熱線:18922176822 郵箱:sales@gzbearing.cn
| 圓錐滾子軸承, 單列,面對面配對 | ||||||||||
| 公差 , 參見文字 | ||||||||||
| 軸向內部間隙, 參見文字 | ||||||||||
| 推薦配合 | ||||||||||
| 軸和軸承座公差 | ||||||||||
|
|
||||||||||
| 主要數據尺寸 | 基本負荷額定值 | 疲勞負荷限值 | 額定速度 | 體積 | 型號 | |||||
| 動態(tài) | 靜態(tài) | 參照速度 | 限制速度 | |||||||
| d | D | T | C | C0 | Pu | |||||
|
|
||||||||||
| mm | kN | kN | r/min | kg | - | |||||
|
|
||||||||||
| 90 | 160 | 65 | 336 | 490 | 57 | 2400 | 4000 | 5,15 | 30218 J2/DF | |