
作為傳統(tǒng)的進口軸承代理商,鼎力晟業(yè)以廣州為基地,全方位展開與SKF公司的合作,為本地SKF 31330XJ2/DF軸承提供強大的貨源支持,并迅速推廣到全國各地,經過多年的努力,31330XJ2/DF軸承已成為我們的主導產品之一。
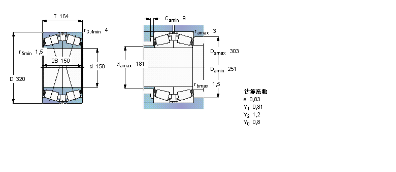
型號:31330XJ2/DF
品牌:SKF
內徑:150
外徑:320
厚度:164
系列:圓錐滾子軸承, 單列,面對面配對
【
手機版 31330XJ2/DF軸承
點擊量
更新日期:2021/12/28
】
電話:020-36026999 傳真:020-36705678 服務熱線:18922176822 郵箱:sales@gzbearing.cn
| 圓錐滾子軸承, 單列,面對面配對 | ||||||||||
| 公差 , 參見文字 | ||||||||||
| 軸向內部間隙, 參見文字 | ||||||||||
| 推薦配合 | ||||||||||
| 軸和軸承座公差 | ||||||||||
|
|
||||||||||
| 主要數據尺寸 | 基本負荷額定值 | 疲勞負荷限值 | 額定速度 | 體積 | 型號 | |||||
| 動態(tài) | 靜態(tài) | 參照速度 | 限制速度 | |||||||
| d | D | T | C | C0 | Pu | |||||
|
|
||||||||||
| mm | kN | kN | r/min | kg | - | |||||
|
|
||||||||||
| 150 | 320 | 164 | 1340 | 2040 | 200 | 1100 | 2000 | 58,5 | 31330 XJ2/DF | |
SAF1312軸承 7938DF軸承 EE790114/790221軸承 C3196KMB+OH3196HE軸承 7900A5DT軸承 RNA6914UU軸承 N2308M軸承 NU260E.M1軸承 687/672A軸承 7216B/DT軸承 22248R軸承 681軸承 2783/2720軸承 7205BDF軸承 SYFJ35TF軸承 2317-K-M-C3軸承 7324DT軸承 7312B軸承 23240RHAW33軸承 3379/3320-B軸承