
SKF 315835B軸承是鼎力晟業(yè)長期代理的產品,鼎力晟業(yè)與SKF公司具有長期的315835B軸承采購計劃,可以為國內用戶提供足夠數量的SKF 315835B軸承,讓您的工廠無憂運轉。
型號:315835B
品牌:SKF
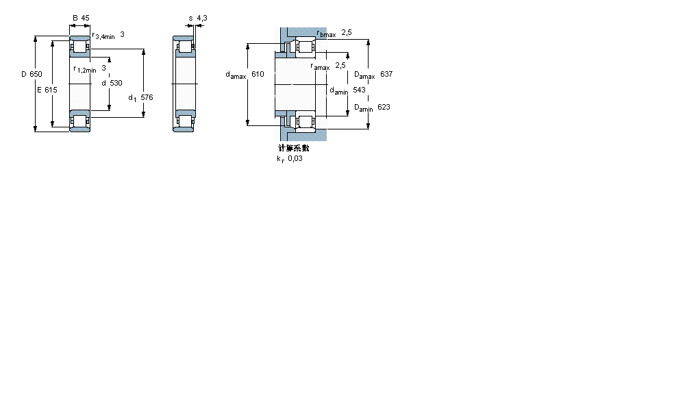
內徑:530
外徑:650
厚度:45
系列:圓柱滾子軸承, 單列, N 設計
【
手機版 315835B軸承
點擊量
更新日期:2021/12/28
】
電話:020-36026999 傳真:020-36705678 服務熱線:18922176822 郵箱:sales@gzbearing.cn
| 圓柱滾子軸承, 單列, N 設計 | ||||||||||||
| 公差 , 參見文字 | ||||||||||||
| 徑向內部間隙, 圓柱型內孔 , 圓錐型內孔, 無密封件 , 參見文字 | ||||||||||||
| 推薦配合 | ||||||||||||
| 軸和軸承座公差 | ||||||||||||
|
|
||||||||||||
| 主要數據尺寸 | 基本負荷額定值 | 疲勞負荷限值 | 額定速度 | 體積 | 型號 | 適宜的斜擋圈 | ||||||
| 動態(tài) | 靜態(tài) | 參照速度 | 限制速度 | 型號 | ||||||||
| d | D | B | C | C0 | Pu | |||||||
|
|
||||||||||||
| mm | kN | kN | r/min | kg | - | - | ||||||
|
|
||||||||||||
| 530 | 650 | 45 | 418 | 900 | 62 | 2200 | 3400 | 30,0 | 315835 B | - | ||
NP421軸承 32018-XA-N11CA-A220-270軸承 PCJ50-TV-FA125.5軸承 RF424922軸承 BC4-8015/HB1軸承 NNU4948B/SPW33軸承 6216軸承 GEP180FS軸承 4TR19B軸承 NATV20軸承 30/8-B-2Z-TVH軸承 N213ECM軸承 AH24072軸承 29364軸承 RS15/18A軸承 6264MA軸承 239/900CA/W33軸承 T7FC070T83/QCL7CDTC10軸承 RCJT45軸承 NU303軸承