
作為傳統(tǒng)的進口軸承代理商,鼎力晟業(yè)以廣州為基地,全方位展開與SKF公司的合作,為本地SKF 315836軸承提供強大的貨源支持,并迅速推廣到全國各地,經過多年的努力,315836軸承已成為我們的主導產品之一。
型號:315836
品牌:SKF
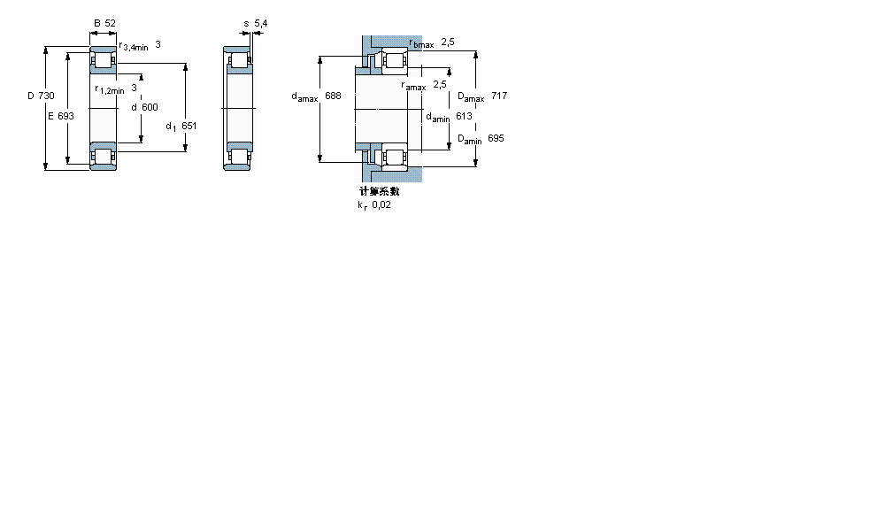
內徑:600
外徑:730
厚度:52
系列:圓柱滾子軸承, 單列, N 設計
【
手機版 315836軸承
點擊量
更新日期:2021/12/28
】
電話:020-36026999 傳真:020-36705678 服務熱線:18922176822 郵箱:sales@gzbearing.cn
| 圓柱滾子軸承, 單列, N 設計 | ||||||||||||
| 公差 , 參見文字 | ||||||||||||
| 徑向內部間隙, 圓柱型內孔 , 圓錐型內孔, 無密封件 , 參見文字 | ||||||||||||
| 推薦配合 | ||||||||||||
| 軸和軸承座公差 | ||||||||||||
|
|
||||||||||||
| 主要數據尺寸 | 基本負荷額定值 | 疲勞負荷限值 | 額定速度 | 體積 | 型號 | 適宜的斜擋圈 | ||||||
| 動態(tài) | 靜態(tài) | 參照速度 | 限制速度 | 型號 | ||||||||
| d | D | B | C | C0 | Pu | |||||||
|
|
||||||||||||
| mm | kN | kN | r/min | kg | - | - | ||||||
|
|
||||||||||||
| 600 | 730 | 52 | 468 | 1020 | 65,5 | 1800 | 2400 | 41,0 | 315836 | - | ||
N306ECP軸承 THE25軸承 7202B軸承 1322K軸承 7013CD/DF軸承 22334CCK/W33+H2334軸承 PWTR45100-2RS軸承 AXK1115軸承 6307/VA201軸承 22352-K-MB+H2352X軸承 7318CDT軸承 EE171000D/171436軸承 PTUE35軸承 7214CD/DF軸承 2911軸承 6992軸承 234426軸承 212-2Z軸承 1986/1932-B軸承 RASE35-FA164軸承