
購買SKF 51111軸承,及51111軸承同系列產品,或者SKF公司其他產品,請聯(lián)系SKF進口軸承代理-鼎力晟業(yè),我們提供準時高效的服務。
型號:51111
品牌:SKF
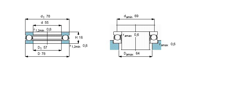
內徑:55
外徑:78
厚度:16
系列:推力球軸承, 單向
【
手機版 51111軸承
點擊量
更新日期:2021/12/28
】
電話:020-36026999 傳真:020-36705678 服務熱線:18922176822 郵箱:sales@gzbearing.cn
| 推力球軸承, 單向 | |||||||||||
| 公差 , 參見文字 | |||||||||||
| 推薦配合 | |||||||||||
| 軸和軸承座公差 | |||||||||||
|
|
|||||||||||
| 主要數據尺寸 | 基本負荷額定值 | 疲勞負荷限值 | 最小負荷系數 | 額定速度 | 體積 | 型號 | |||||
| 動態(tài) | 靜態(tài) | 參照速度 | 限制速度 | ||||||||
| d | D | H | C | C0 | Pu | A | |||||
|
|
|||||||||||
| mm | kN | kN | - | r/min | kg | - | |||||
|
|
|||||||||||
| 55 | 78 | 16 | 30,7 | 85 | 3,1 | 0,039 | 3800 | 5300 | 0,24 | 51111 | |
23122-2CS5K/VT143軸承 30220/30220軸承 HH814547/HH814510軸承 29348軸承 21308-E1-K軸承 7032AC/DB軸承 3003-B-TVH軸承 BRI122416UU軸承 AXK1116軸承 GE35CS-2Z軸承 7202B軸承 NU1996-M1軸承 6215-RS軸承 PHSB10軸承 HSS7002-C-T-P4S軸承 NJ2307-E-TVP2軸承 HC7001-C-T-P4S軸承 B71918-C-T-P4S軸承 69/1.5軸承 RS-4856E4軸承