
鼎力晟業(yè)是SKF進口軸承代理商,不僅為工業(yè)配套用戶提供SKF 511/600F軸承,在維修市場也提供足夠的支持,是SKF軸承在國內的優(yōu)質經銷商之一,購買SKF 511/600F軸承,鼎力晟業(yè)是您放心的選擇。
型號:511/600F
品牌:SKF
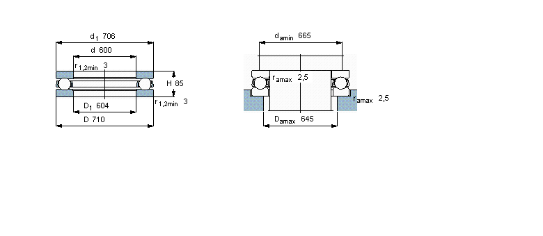
內徑:600
外徑:710
厚度:85
系列:推力球軸承, 單向
【
手機版 511/600F軸承
點擊量
更新日期:2021/12/28
】
電話:020-36026999 傳真:020-36705678 服務熱線:18922176822 郵箱:sales@gzbearing.cn
| 推力球軸承, 單向 | |||||||||||
| 公差 , 參見文字 | |||||||||||
| 推薦配合 | |||||||||||
| 軸和軸承座公差 | |||||||||||
|
|
|||||||||||
| 主要數據尺寸 | 基本負荷額定值 | 疲勞負荷限值 | 最小負荷系數 | 額定速度 | 體積 | 型號 | |||||
| 動態(tài) | 靜態(tài) | 參照速度 | 限制速度 | ||||||||
| d | D | H | C | C0 | Pu | A | |||||
|
|
|||||||||||
| mm | kN | kN | - | r/min | kg | - | |||||
|
|
|||||||||||
| 600 | 710 | 85 | 663 | 4800 | 69,5 | 120 | 500 | 700 | 65,0 | 511/600 F | |
6312N軸承 81256-M軸承 61896M軸承 LM104949/LM104911A軸承 D24軸承 61906軸承 GE35-KRR-B-FA164軸承 SD3076SG軸承 NUP307-E-TVP2軸承 E31318DJ軸承 6000-RS軸承 NU10/600ECM軸承 7315BDT軸承 6912ZN軸承 200TMP11軸承 NCF3052V.C3軸承 71928ACD/P4A軸承 TAF-688235軸承 SY1/2RM軸承 BEAM050115-2RS軸承