
我們不僅提供SKF 6000/HR22Q2軸承,還提供SKF品牌的其他品牌產品,以及SKF 6000/HR22Q2軸承的替換型號,萬千種型號,任您選擇。
型號:6000/HR22Q2
品牌:SKF
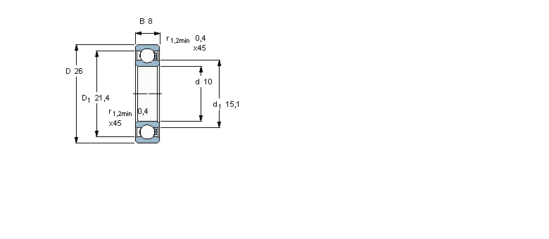
內徑:10
外徑:26
厚度:8
系列:聚合物球軸承,單列球軸承, PP/PP/glass/PP
【
手機版 6000/HR22Q2軸承
點擊量
更新日期:2021/12/28
】
電話:020-36026999 傳真:020-36705678 服務熱線:18922176822 郵箱:sales@gzbearing.cn
| 聚合物球軸承,單列球軸承, PP/PP/glass/PP | ||||||||
|
|
||||||||
| 主要數據尺寸 | 負荷能力 | 額定速度 | 體積 | 型號 | ||||
| d | D | B | 動態(tài) 1) | 靜態(tài) 2) | 最大 3) | 最大 | - | |
| 1) above 50 °C and/or above 20 % | 3) Consider load carrying | |||||||
| of max speed rating consider | capability reduction according | |||||||
| reduction according to diagram | to diagram | |||||||
| 2) above 50 °C consider | ||||||||
| reduction according to diagram | ||||||||
|
|
||||||||
| mm | kN | r/min | kg | - | ||||
|
|
||||||||
| 10 | 26 | 8 | 0,09 | 0,07 | 1670 | 0,0051 | 6000/HR22Q2 | |
PCJT40-TV-FA125.5軸承 6248軸承 HCS71926-C-T-P4S軸承 2×7308BEGBY軸承 NAST6ZZUU軸承 32048-X-N11CA軸承 67389軸承 NJ216+HJ216軸承 239509FA軸承 7308AC/DB軸承 7204AC/DT軸承 54316+U316軸承 82576/82950軸承 23232CKE4軸承 NJ328+HJ328軸承 2207-K-2RS-TVH-C3軸承 420/414軸承 NAX4032Z軸承 7016AC軸承 GE35CS-2Z軸承